Tán Dài (3)
Lông Đền Cầu (5)
Trong hầu hết các dự án cơ khí, xây dựng, sản xuất máy móc hay đơn giản là lắp đặt gia dụng, bulong ốc vít inox 304 luôn là lựa chọn hàng đầu của nhiều anh em kỹ thuật.
Trong hầu hết các dự án cơ khí, xây dựng, sản xuất máy móc hay đơn giản là lắp đặt gia dụng, bulong ốc vít inox 304 luôn là lựa chọn hàng đầu của nhiều anh em kỹ thuật. Lý do là vì khả năng chống ăn mòn (chống gỉ) vượt trội, độ bền bỉ và tính thẩm mỹ cao. Tuy nhiên, để chọn đúng loại cho công việc, anh em cần hiểu rõ ốc inox 304 là gì, các tiêu chuẩn liên quan và đặc biệt là cường độ của bulong inox 304.
Bài viết này của Mecsu sẽ cung cấp cho anh em cái nhìn tổng quan nhất về loại vật tư liên kết siêu phổ biến này, bao gồm cả các kích thước thông dụng như ốc inox 304 6mm (M6), bulong m12 inox 304 hay bulong m8x30 inox 304.
Ốc Inox 304 (hay Bulong Inox 304, Vít Inox 304) là tên gọi chung cho các chi tiết lắp siết (fasteners) như bulong, ốc vít, đai ốc (con tán), long đền (vòng đệm)... được sản xuất từ vật liệu thép không gỉ mác 304 (hay còn gọi là SUS 304 theo tiêu chuẩn Nhật Bản).
Inox 304 là loại thép không gỉ phổ biến nhất trên thế giới, thuộc nhóm Austenitic. Nó còn được biết đến với tên gọi "thép 18/8" vì trong thành phần hóa học của nó chứa khoảng 18% Crom (Cr) và 8% Niken (Ni). Chính các thành phần này mang lại những đặc tính ưu việt cho bulong ốc vít inox 304:
Đây là phần kỹ thuật cực kỳ quan trọng mà anh em phải nắm rõ để tránh nhầm lẫn và chọn sai sản phẩm. Cường độ của bulong inox 304 không được phân loại theo cấp bền 4.8, 8.8, 10.9 như bulong thép carbon.
Bulong ốc vít inox 304 (thuộc nhóm Austenitic) được phân loại cấp bền theo tiêu chuẩn quốc tế ISO 3506. Khi nhìn lên mũ bulong inox 304, anh em sẽ thường thấy ký hiệu dập chìm là "A2-70".
Cách đọc ký hiệu A2-70 như sau:
Như vậy, cường độ của bulong inox 304 (mác A2-70) có các đặc tính cơ lý tối thiểu như sau:
So sánh nhanh: Bulong thép cấp bền 8.8 có độ bền kéo là 800 MPa và giới hạn chảy là 640 MPa. Như vậy, bulong Inox 304 (A2-70) có độ bền cơ học thấp hơn cấp 8.8. Anh em tuyệt đối không được dùng bulong A2-70 để thay thế cho bulong 8.8 trong các mối ghép chịu lực cao.
Ngoài ra, anh em còn có thể gặp mác A2-80. Đây cũng là Inox 304 nhưng đã qua gia công nguội cường độ cao, có độ bền kéo tối thiểu là 800 MPa, gần tương đương cấp 8.8.
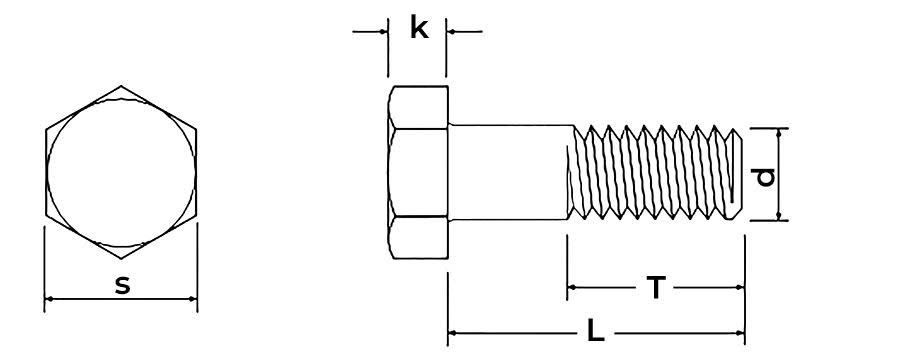
Bulong ốc vít inox 304 có rất nhiều hình dạng và kích thước, được tiêu chuẩn hóa để đáp ứng các nhu cầu lắp đặt khác nhau.
Đây là loại bulong inox 304 phổ biến nhất, có mũ 6 cạnh, dùng cờ lê hoặc tuýp để siết.
Đây chính là loại ốc lục giác inox 304 mà anh em hay tìm. Nó có mũ hình trụ tròn, bên trong khoét lỗ lục giác chìm để dùng chìa lục lăng vặn. Ưu điểm là tính thẩm mỹ cao (vì mũ ốc có thể lắp chìm vào trong chi tiết), lực siết cao, phù hợp cho các ứng dụng trong chế tạo máy, khuôn mẫu, nơi có không gian hẹp.
Ngoài bulong, ốc vít inox 304 cũng rất đa dạng, bao gồm:
Khi anh em tìm kiếm các kích thước cụ thể, cách đọc như sau:
bulong m12x40 inox 304 là loại M12 dài 40mm.Để tạo thành một mối ghép hoàn chỉnh, bulong luôn cần các phụ kiện đi kèm:
Một trong những vấn đề lớn nhất khi mua ốc inox là nguy cơ mua phải hàng kém chất lượng, đặc biệt là bị trộn lẫn Inox 201 (rẻ hơn, độ bền kém hơn và dễ bị gỉ sét trong môi trường ẩm) nhưng lại bán với giá Inox 304. Đối với các ứng dụng quan trọng, điều này có thể gây hậu quả nghiêm trọng.
Vì vậy, việc lựa chọn một nhà cung cấp uy tín là yếu tố then chốt. Mecsu là đơn vị hàng đầu tại Việt Nam, chuyên cung cấp các loại vật tư kỹ thuật, đặc biệt là các loại bulong, ốc vít chính hãng.
Khi mua hàng tại Mecsu, anh em sẽ hoàn toàn yên tâm vì:
MUA NGAY HÀNG CÔNG NGHIỆP CÓ SẴN - GIAO NGAY TẠI MECSU
Hy vọng qua bài viết này, anh em đã có cái nhìn tổng quan và chi tiết nhất về bulong ốc vít inox 304. Chúc anh em luôn lựa chọn được vật tư đúng chuẩn cho công trình của mình!
Khi nhắc đến các vật tư liên kết chịu được ăn mòn, chắc chắn anh em không thể bỏ qua bulong inox 304. Đây là một trong những loại bulong phổ biến nhất trên thị trường nhờ khả năng chống gỉ vượt trội, tính thẩm mỹ cao và giá thành hợp lý.
Để đảm bảo cẩu tháp hoạt động ổn định và an toàn, bu lông cẩu tháp đóng vai trò cốt lõi, đặc biệt là các loại bu lông neo cẩu tháp, bu lông chân đế, và bu lông nối thân.
Trong ngành cơ khí và công nghiệp, việc hiểu và tính toán chính xác bước ren là vô cùng quan trọng để đảm bảo các mối nối ren hoạt động hiệu quả, an toàn.
