Tán Dài (3)
Lông Đền Cầu (5)
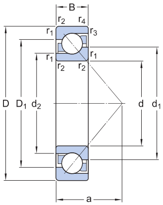
Vòng Bi Tiếp Xúc Góc Một Dãy SKF 7214 BEGAM có khả năng chịu tải trọng kết hợp nhờ sự dịch chuyển tương đối giữa rãnh vòng trong và vòng ngoài theo hướng trục. Điều này giúp vòng bi có thể chịu đồng thời cả tải trọng hướng tâm và hướng trục.
Khả năng chịu tải hướng trục của vòng bi tiếp xúc góc tăng lên khi góc tiếp xúc lớn hơn. Góc tiếp xúc là góc được tạo bởi đường nối giữa các điểm tiếp xúc của bi cầu và rãnh trong trên mặt phẳng xuyên tâm, nơi tải trọng được truyền từ rãnh này sang rãnh khác, cùng với đường thẳng vuông góc với trục ổ trục.
Vòng bi tiếp xúc góc có thể được chia thành các loại cơ bản như sau:
Vòng bi tiếp xúc góc một dãy

Loại này chỉ chịu được tải trọng hướng trục theo một hướng và thường cần lắp cùng với một vòng bi khác để tăng khả năng chịu tải. Cấu trúc của vòng bi gồm các vòng chịu lực có vai trên và vai dưới, không thể tách rời. Góc tiếp xúc phổ biến là 25° và 40°, phù hợp cho các ứng dụng khác nhau:
Vòng bi một dãy có thể lắp riêng lẻ hoặc lắp theo cặp để tăng khả năng chịu tải theo cả hai hướng. Có ba kiểu lắp đặt chính là song song, đấu lưng, và đấu mặt.
Vòng bi tiếp xúc góc hai dãy
Vòng bi này bao gồm hai dãy bi được xếp theo cấu hình đấu lưng, giúp chịu được tải hướng tâm và dọc trục theo cả hai hướng. Độ cứng vững của vòng bi hai dãy cao hơn so với vòng bi một dãy, trong khi không gian lắp đặt vẫn tiết kiệm hơn so với việc sử dụng hai vòng bi một dãy lắp kiểu đấu lưng.
Ứng dụng của vòng bi tiếp xúc góc trong công nghiệp và các thiết bị khác:
Nếu vòng bi hoạt động trong điều kiện khắc nghiệt như gần chạm đến giới hạn tốc độ, nhiệt độ cao hoặc có độ rung mạnh, cần đặc biệt chú ý để đảm bảo hiệu suất và tuổi thọ của vòng bi.
Nhiệt độ làm việc của vòng bi có vòng cách bằng polyamide không được vượt quá 120°C để tránh hư hỏng vòng cách và đảm bảo hoạt động ổn định.
Khi lắp đặt vòng bi tiếp xúc góc theo cặp, không nên lẫn lộn với các loại vòng bi từ các nhà sản xuất khác, để đảm bảo độ chính xác và sự đồng bộ trong hoạt động.
Bạn có thể mua vòng bi cầu tiếp xúc góc chính hãng tại Mecsu, nhà cung cấp phụ tùng cơ khí uy tín. Mecsu cam kết cung cấp sản phẩm với chất lượng cao và giá cả hợp lý. Đặt mua trực tiếp trên trang web của Mecsu để nhận sản phẩm nhanh chóng cùng với dịch vụ tư vấn chuyên nghiệp.
Nếu quý khách có nhu cầu sử dụng sản phẩm, vui lòng liên hệ hotline để được tư vấn về sản phẩm phù hợp với công việc.
Hoặc truy cập website mecsu.vn để lựa chọn và đặt hàng online các sản phẩm phù hợp với nhu cầu.
Chúng tôi luôn sẵn sàng giải đáp mọi thắc mắc và phản hồi sau khi quý khách sử dụng sản phẩm. Hãy nhanh tay đặt hàng để nhận nhiều ưu đãi hấp dẫn!
