Tán Dài (3)
Lông Đền Cầu (5)
Gối Đỡ Khác (2)
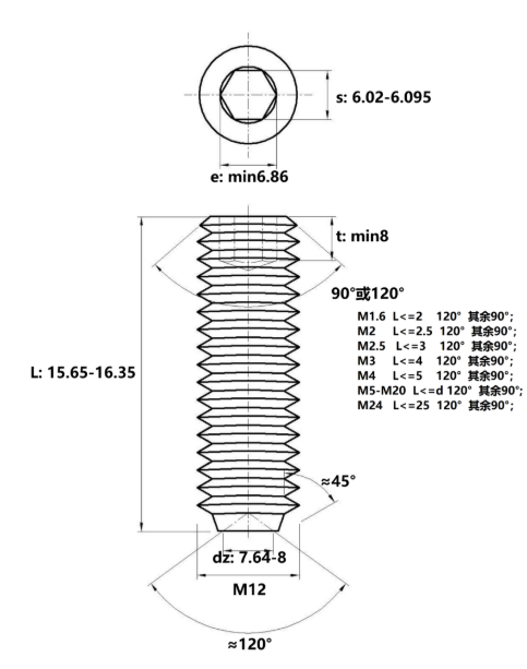
Vít Trí Đuôi Lõm Inox 304 DIN916 M12x16 là một loại ốc vít công nghiệp được sử dụng rộng rãi trong nhiều ứng dụng cơ khí và chế tạo. Chúng có đặc điểm là đầu lục giác chìm và phần cuối có dạng đầu lõm.
