Vòng Bi Chuyên Dùng Cho Gối Đỡ (1)
Mũi Khoan Kim Loại (13)
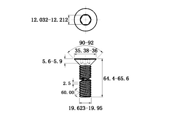
Lục Giác Chìm Col Thép Đen 10.9 DIN7991 M20x65 (Flat Hex Head Screws) là một sản phẩm cơ khí được sử dụng để lắp ráp, ghép nối các chi tiết lại thành một khối, là chi tiết kẹp chặt. Chế tạo theo tiêu chuẩn DIN 7991 bằng vật liệu thép cấp bền 10.9. Thường sử dụng để lắp ghép chi tiết máy sử dụng trong môi trường ít bị ăn mòn, các mối lắp cần tiết kiệm không gian hoặc yêu cầu phải có bề mặt sau khi ghép bằng phẳng. Chúng thường được sử dụng trong các bộ phận máy, cố định khuôn và kẹp.
