Tán Dài (3)
Lông Đền Cầu (5)
Gối Đỡ Khác (2)
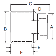
Đầu Tuýp Xuyên Tâm 20mm Cỡ Vòng 11mm Sata 19022 đầu típ chuyển đổi là dụng cụ được sử dụng với cần siết lực cho phép người dùng thay đổi kích thước đầu nối của đầu tuýp mà chỉ dùng một loại cần siết lực. Đầu tuýp chuyển đổi có nhiều kích cỡ và kiểu dáng khác nhau, nhưng về cơ bản chúng đều hoạt động theo cùng một cách: chúng cho phép gắn đầu tuýp có kích thước khác nhau vào cần siết lực. Ví dụ: đầu tuýp chuyển đổi thể cho phép người dùng gắn đầu tuýp 1/4 inch vào cần siết lực 3/8 inch hoặc gắn đầu tuýp hệ mét vào cần siết lực hệ inch.
