Tán Dài (3)
Lông Đền Cầu (5)
Gối Đỡ Khác (2)
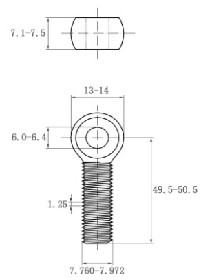
Bulong Mắt Inox 304 M8x50 (Suốt) là chốt hình que có ren ở một đầu và uốn thành vòng ở đầu kia. Bulong mắt được chế tạo theo tiêu chuẩn DIN 444 từ inox 304. Bu lông mắt được sử dụng để liên kết vào một kết cấu mà từ đó muốn nâng, muốn di chuyển kết cấu đó, người dùng sẽ sử dụng dây để luồn qua lỗ trên bu lông mắt để có thể nâng kết cấu và di chuyển. Bulong mắt được dùng trong một số trường hợp định vị và cố định hệ thống đường dây. Ngoài ra, bu lông mắt còn được dùng trong các ngành như: công nghiệp hoá chất, chế tạo ô tô, đóng tàu biển, dầu khí, ngành cầu đường,… khi cần neo móc một vật bất kì vào một vị trí được cố định sẵn.
