Tán Dài (3)
Lông Đền Cầu (5)
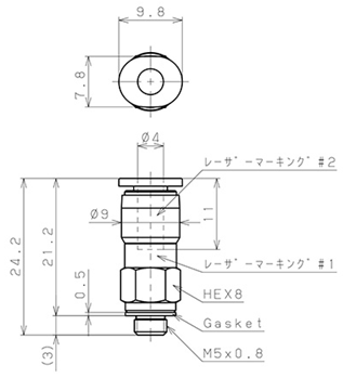
Van Khí Nén Một Chiều Pisco CVPC4-M5A là loại van được lắp trong hệ thống dẫn khí có chức năng điều hướng lưu chất đi theo một chiều nhất định và ngăn không cho lưu chất chảy ngược lại. Van một chiều hoạt động dựa vào chênh lệch áp suất. Chúng yêu cầu áp suất ở phía đầu vào của van cao hơn phía đầu ra để mở van. Khi áp suất ở phía đầu ra cao hơn (hoặc áp suất phía đầu vào không đủ cao), van sẽ đóng. Nếu thiết bị nén khí gặp phải sự cố tụt áp sẽ hạn chế tình trạng chất lỏng có thể chảy ngược về máy bơm. Thích hợp cho đường ống của các thiết bị sử dụng dưới áp suất thấp. Chúng có thể được sử dụng trên máy nén piston (đầu vào và đầu ra), bộ thu khí, ống xả, v.v.
Một số thương hiệu sản xuất van một chiều khí nén nổi tiếng như van khí nén Airtac, CDC, FD-LOK ... với một số loại phổ biến là van một chiều ren trong, ren ngoài hay kết nối nhanh
