Phân Tích Chi Tiết Tán Keo Thép Mạ Kẽm Trắng Cr3+ 8.8 DIN985 M30
Mục Lục
- 1. Khái niệm Tán Keo Thép 8.8 DIN985 M30 và vai trò trong các siêu kết cấu?
- 2. Bảng dữ liệu kỹ thuật chi tiết của Đai Ốc Khóa M30 Cấp Bền 8.8
- 3. Thiết kế hình học và cấu tạo vòng nhựa hãm của Tán Keo M30
- 4. Giá trị của thép cường độ cao 8.8 và lớp mạ thân thiện Cr3+?
- 5. Cơ chế chống tháo ren và khả năng chịu tải trọng động của Tán M30
- 6. Hệ thống quy chuẩn và các phương pháp phân loại tán khóa hiện nay?
- 7. Đánh giá ưu thế vượt trội và những giới hạn của Tán Keo DIN985
- 8. Các hệ thống cơ khí hạng nặng nào cần đến Tán Keo 8.8 Cr3+ M30?
- 9. Khả năng thích ứng nhiệt độ và tính năng bảo vệ của màng mạ Cr3+
- 10. Quy trình lắp đặt chuẩn cho đai ốc cỡ lớn giúp duy trì lực kẹp
- 11. Cách thức nhận biết Tán Keo M30 chuẩn 8.8 và hàng kém chất lượng?
- 12. Chính sách giá và hệ thống cung ứng vật tư lắp xiết tại Mecsu?
- 13. Các câu hỏi thường gặp (FAQ) về Tán Keo Thép Mạ Kẽm Cr3+ M30
- 14. Dịch vụ tư vấn kỹ thuật và giải pháp lắp ghép chuyên sâu tại Mecsu
- 15. Thông Tin Bổ Sung và kinh nghiệm xử lý hiện trường từ chuyên gia
1. Khái niệm Tán Keo Thép 8.8 DIN985 M30 và vai trò trong các siêu kết cấu?
Tán Keo Thép Mạ Kẽm Trắng Cr3+ 8.8 DIN985 M30 là dòng đai ốc tự khóa kích cỡ lớn, được tích hợp vòng đệm nhựa nylon chịu lực phía trong. Đây là linh kiện then chốt được thiết kế để tạo ra mô-men cản, ngăn chặn sự tự tháo lỏng của bu lông trong những môi trường làm việc có độ rung lắc cực mạnh hoặc chấn động tuần hoàn.
Với đường kính ren M30, sản phẩm được chế tạo từ thép cacbon cường độ cao cấp bền 8.8 và hoàn thiện bề mặt bằng công nghệ mạ kẽm trắng Cr3+. Đây là chi tiết không thể thiếu trong các cụm lắp ráp máy móc hạng nặng, nơi mà sự an toàn của mối nối quyết định đến vận hành của cả một hệ thống công nghiệp quy mô lớn.
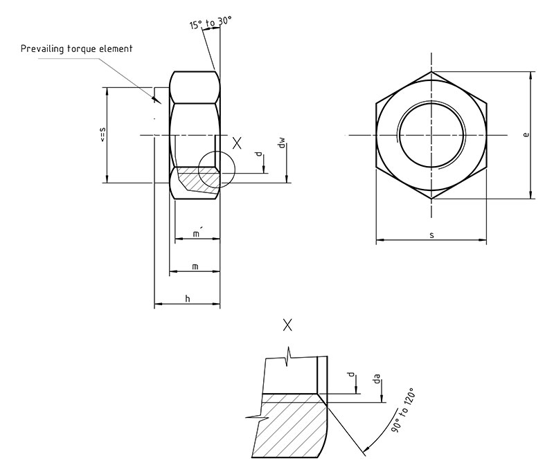
2. Bảng dữ liệu kỹ thuật chi tiết của Đai Ốc Khóa M30 Cấp Bền 8.8
D: Đường kính danh nghĩa ren (30mm)
S: Kích thước lục giác ngoài (Khóa 46mm)
H: Chiều cao tổng thể đai ốc (30mm)
| Danh mục thông số |
Giá trị chi tiết |
| Mã đơn hàng Mecsu |
0073396 |
| Mã linh kiện (MPN) |
N03M3001D20 |
| Size Ren (D) |
M30 |
| Bước ren (Hệ Met) |
3.5 mm |
| Khóa vặn (S) |
46 mm |
| Chiều cao đai ốc (H) |
30 mm |
| Thành phần thép |
Thép cấp bền 8.8 |
| Xử lý bề mặt |
Mạ kẽm trắng Cr3+ |
| Quy chuẩn kỹ thuật |
DIN 985 |
| Nguồn gốc |
Trung Quốc |
| Giá niêm yết |
41,258 đ / Cái |
3. Thiết kế hình học và cấu tạo vòng nhựa hãm của Tán Keo M30
Tán Keo DIN 985 M30 có cấu trúc đồ sộ để đảm bảo khả năng kẹp chặt cơ học vượt trội:
- Thân đai ốc 46mm: Được đúc từ thép cường độ cao, thiết kế lục giác cho phép sử dụng các thiết bị siết lực hạng nặng mà không lo bị biến dạng góc cạnh.
- Vòng khóa Polymer (Nylon): Lớp keo đặc biệt này nằm ở phần đỉnh, có đường kính nhỏ hơn ren bu lông M30 để tạo ra ma sát cưỡng bức cực lớn khi thi công.
- Lớp phủ Cr3+ cao cấp: Mang lại độ bóng mịn thẩm mỹ và bảo vệ linh kiện khỏi sự xâm nhập của độ ẩm gây rỉ sét lõi thép.
Với độ dày 30mm, tán keo M30 đảm bảo số lượng vòng ren tiếp xúc tối đa, giúp phân bổ lực kéo đều lên thân bu lông, ngăn ngừa hiện tượng trượt ren khi chịu áp lực lớn.
4. Giá trị của thép cường độ cao 8.8 và lớp mạ thân thiện Cr3+?
Sự kết hợp giữa vật liệu Thép 8.8 và công nghệ Mạ kẽm Cr3+ tạo ra một chuẩn mực mới về độ bền:
- Khả năng chịu lực 8.8: Đảm bảo mối nối chịu được ứng suất kéo lên tới 800 MPa, thích hợp cho các ứng dụng yêu cầu cấp bền cực cao trong xây dựng và cơ khí nặng.
- Bảo vệ sinh thái Cr3+: Loại bỏ hoàn toàn Crom hóa trị 6 độc hại, đạt các chứng chỉ xanh quốc tế như RoHS, giúp sản phẩm dễ dàng đi vào các thị trường khó tính.
- Chống ăn mòn bền bỉ: Lớp phủ Cr3+ giúp linh kiện duy trì tuổi thọ trong môi trường nhà xưởng công nghiệp nhiều bụi bẩn và độ ẩm cao.
5. Cơ chế chống tháo ren và khả năng chịu tải trọng động của Tán M30
Tán hãm M30 hoạt động dựa trên nguyên lý triệt tiêu khe hở bằng biến dạng nhựa:
- Biến dạng khóa ren: Khi bu lông M30 đi qua vòng nhựa, nhựa nylon bị nén lại và ôm khít lấy đỉnh ren, tạo ra một lực hãm vĩnh viễn chống lại chuyển động quay ngược.
- Ma sát duy trì: Ngay cả khi tải trọng dọc trục dao động mạnh, lực kẹp từ vòng nhựa vẫn giữ cho đai ốc không bị xoay ra ngoài ý muốn.
- Giải pháp thay thế ưu việt: An toàn hơn và lắp đặt nhanh hơn so với việc sử dụng long đền phẳng kết hợp long đền vênh truyền thống.
6. Hệ thống quy chuẩn và các phương pháp phân loại tán khóa hiện nay?
Đai ốc khóa được phân loại chủ yếu dựa trên chiều cao và công nghệ xử lý bề mặt:
Phân loại theo cấu trúc hình học:
- DIN 985 (Kiểu thấp): Thiết kế tối ưu về trọng lượng và không gian, là loại tán keo được ứng dụng phổ biến nhất trên toàn cầu.
- DIN 982 (Kiểu cao): Có thân thép dày hơn, tăng cường lực giữ ren cho các ứng dụng chịu tải trọng kéo đặc biệt lớn.
Phân loại theo màng phủ bảo vệ:
- Mạ kẽm trắng Cr3+: Sáng bóng, thân thiện môi trường, chống rỉ sét tốt trong điều kiện dân dụng và công nghiệp nhẹ.
- Mạ kẽm nhúng nóng: Thường dùng cho các cấu trúc ngoài trời, lớp bảo vệ dày nhưng ren thường phải gia công bù trừ độ dày.
- Thép nhuộm đen: Chuyên dùng trong môi trường ngập dầu hoặc các chi tiết máy yêu cầu không phản chiếu ánh sáng.
7. Đánh giá ưu thế vượt trội và những giới hạn của Tán Keo DIN985
Ứng dụng tán keo M30 mang lại độ tin cậy cực cao nhưng cần lưu ý các yếu tố vận hành:
Điểm mạnh:
- Kháng chấn tuyệt đối: Ngăn ngừa hoàn toàn hiện tượng bu lông bị lỏng do máy móc rung động mạnh.
- Hiệu quả chi phí: Loại bỏ việc phải sử dụng các loại keo khóa ren lỏng phức tạp và tốn kém thời gian chờ khô.
- Độ bền vật liệu: Thép 8.8 đảm bảo mối nối không bị giãn dài khi siết ở lực mô-men cao.
Hạn chế:
- Tái sử dụng: Vòng nhựa bị cắt ren sẽ giảm dần lực hãm sau mỗi lần tháo lắp. Nên thay mới để đảm bảo an toàn tối đa.
- Nhiệt độ hoạt động: Không nên sử dụng trong môi trường vượt quá 120 độ C do đặc tính nóng chảy của nhựa nylon.
8. Các hệ thống cơ khí hạng nặng nào cần đến Tán Keo 8.8 Cr3+ M30?
Với kích cỡ ren lớn M30, loại tán này thường xuất hiện trong các công trình và máy móc quy mô:
- Ngành Đóng Tàu: Cố định các cụm động cơ thủy, trục chân vịt và các thiết bị trên boong tàu chịu sóng gió và rung động liên tục.
- Xây Dựng Cầu Đường: Sử dụng trong các liên kết dầm thép, chân trụ cầu nơi yêu cầu sự ổn định tuyệt đối trước tải trọng xe cộ lưu thông.
- Công Nghiệp Năng Lượng: Lắp ráp các trụ điện gió công suất lớn, các giá đỡ turbine trong nhà máy thủy điện hoặc nhiệt điện.
- Thiết Bị Nâng Hạ Hạng Nặng: Thành phần quan trọng trong kết cấu cần trục tháp, cổng trục tại các cảng biển và công trường xây dựng.
- Máy Ép Thủy Lực: Cố định các tấm khuôn và khung máy chịu áp lực nén và rung động cường độ cao trong nhà máy cơ khí nặng.
9. Khả năng thích ứng nhiệt độ và tính năng bảo vệ của màng mạ Cr3+
Màng mạ Cr3+ trên nền thép 8.8 giúp tán hãm M30 vận hành bền bỉ trong biên độ nhiệt từ âm 50 độ C đến dưới 100 độ C. Lớp mạ này không chỉ đóng vai trò ngăn rỉ sét mà còn duy trì độ bóng lâu dài, kháng lại sự hình thành của các vết oxy hóa trắng. Đối với thép 8.8, tính chất cơ lý được duy trì ổn định, đảm bảo mối nối không bị lỏng lẻo do sự giãn nở nhiệt của kim loại trong điều kiện làm việc tiêu chuẩn.
10. Quy trình lắp đặt chuẩn cho đai ốc cỡ lớn giúp duy trì lực kẹp
Để đảm bảo an toàn cho các mối ghép M30, kỹ thuật viên cần tuân thủ các bước sau:
Các bước thi công:
- Kiểm tra ren bu lông: Đảm bảo ren sạch, không có ba vớ hay bụi đá để tránh làm rách vòng nhựa ngay khi bắt đầu.
- Vặn tay ban đầu: Xoay đai ốc vào bu lông cho đến khi phần nhựa chạm vào ren đầu tiên.
- Sử dụng thiết bị siết: Do kích cỡ M30 rất lớn, cần dùng cờ lê lực 46mm hoặc máy siết bu lông thủy lực để đạt được mô-men xoắn theo thiết kế.
Mẹo kỹ thuật:
- Kiểm soát tốc độ siết: Tránh siết quá nhanh bằng máy súng hơi vì ma sát lớn sinh nhiệt có thể làm chảy vòng nhựa, làm mất chức năng hãm.
11. Cách thức nhận biết Tán Keo M30 chuẩn 8.8 và hàng kém chất lượng?
Kiểm soát chất lượng vật tư là yếu tố sống còn cho các công trình lớn:
- Ký hiệu đặc trưng: Tán keo 8.8 chính hãng tại Mecsu thường có số 8 được dập chìm rõ ràng trên bề mặt lục giác.
- Đặc tính vòng nhựa: Nhựa nylon chuẩn có độ dai, không bị giòn vỡ vụn khi bu lông M30 đi qua, ôm khít vào rãnh ren.
- Bề mặt hoàn thiện: Lớp mạ kẽm Cr3+ có màu trắng hơi ánh xanh đặc trưng, bề mặt mịn màng không có các vết rỗ hay bong tróc.
12. Chính sách giá và hệ thống cung ứng vật tư lắp xiết tại Mecsu?
a. Đơn giá tham khảo: 41,258 đ / Cái (Đã bao gồm VAT)
Mecsu cung cấp mức giá cực tốt cho dòng tán keo 8.8 M30 cao cấp. Đối với các tổng thầu xây dựng, nhà máy đóng tàu hoặc các dự án hạ tầng lớn, chúng tôi luôn có chính sách giá sỉ và chiết khấu linh hoạt theo khối lượng đơn hàng.
b. Tại sao Mecsu là lựa chọn hàng đầu của kỹ sư?
- NHANH: Hệ thống kho bãi rộng lớn, xử lý đơn hàng và giao nhận thần tốc.
- ĐÚNG: Cam kết cung cấp đúng quy cách DIN 985 M30 và đủ tiêu chuẩn 8.8.
- ĐỦ: Đảm bảo số lượng linh kiện chính xác tuyệt đối theo phiếu giao hàng.
- KỊP THỜI: Luôn dự trữ sẵn các mã hàng lớn phục vụ nhu cầu khẩn cấp của dự án.
ĐẶT MUA TÁN KEO THÉP 8.8 M30 TẠI ĐÂY
13. Các câu hỏi thường gặp (FAQ) về Tán Keo Thép Mạ Kẽm Cr3+ M30
a. Tôi có thể dùng tán keo M30 này cho môi trường biển không?
Lớp mạ Cr3+ chịu được độ ẩm cao nhưng với môi trường biển có nồng độ muối đậm đặc, chúng tôi khuyến cáo bạn nên cân nhắc dòng Tán Keo Inox 316 hoặc mạ kẽm nhúng nóng để có tuổi thọ cao nhất.
b. Tại sao lực vặn của tán M30 lại nặng hơn nhiều so với tán thường?
Điều này do kích thước ren M30 rất lớn kết hợp với sự ma sát của vòng nhựa nylon dày. Đây là dấu hiệu cho thấy lực hãm chống tháo đang hoạt động hiệu quả để bảo vệ mối nối của bạn.
c. Đai ốc M30 này có thể lắp cho bu lông ren mịn không?
Không. Sản phẩm này có bước ren thô 3.5mm theo tiêu chuẩn DIN 985. Việc lắp vào bu lông ren mịn sẽ gây cháy ren và hỏng hóc hoàn toàn cả hai linh kiện.
d. Có cần phải dùng thêm các loại keo dán ren khi đã dùng tán keo M30?
Thông thường là không cần thiết. Tán keo M30 đã cung cấp khả năng tự khóa cơ học rất mạnh. Việc dùng thêm keo dán có thể gây khó khăn cho việc tháo dỡ bảo trì thiết bị sau này.
e. Làm sao để biết vòng nhựa vẫn còn tác dụng sau khi tháo ra?
Nếu bạn có thể vặn tán M30 qua phần vòng nhựa bằng tay không một cách dễ dàng, nghĩa là vòng nhựa đã bị mòn và không còn đủ lực hãm, lúc này bắt buộc phải thay đai ốc mới.
14. Dịch vụ tư vấn kỹ thuật và giải pháp lắp ghép chuyên sâu tại Mecsu
Mecsu không chỉ cung cấp vật tư lắp xiết đơn thuần, chúng tôi mang đến những giải pháp kỹ thuật tối ưu cho bản vẽ của bạn. Nếu bạn đang tìm kiếm thông số mô-men siết chuẩn cho M30 hay cần tư vấn về lớp phủ bảo vệ cho các công trình đặc thù, đội ngũ chuyên gia Mecsu luôn sẵn sàng hỗ trợ bạn 24/7.
Địa chỉ: B28/I - B29/I Đường số 2B, KCN Vĩnh Lộc, P. Bình Hưng Hòa B, Q. Bình Tân, TP.HCM
Tổng đài hỗ trợ: 1800 8137
Email: sales@mecsu.vn
Website: mecsu.vn
15. Thông Tin Bổ Sung và kinh nghiệm xử lý hiện trường từ chuyên gia
a. Câu chuyện nghề: Sự cố lỏng chân đế cầu trục
Trong một dự án lắp đặt cầu trục cảng, việc sử dụng đai ốc thường kết hợp long đền vênh đã khiến các bulông chân đế bị lỏng chỉ sau 3 tháng vận hành do chấn động từ tải trọng nâng hạ. Sau khi chuyển sang sử dụng Tán Keo Thép 8.8 M30 mạ Cr3+, hệ thống đã vận hành ổn định suốt 2 năm qua mà không cần can thiệp siết lại, giúp đơn vị vận hành tiết kiệm chi phí bảo trì đáng kể.
b. Lời khuyên từ Kỹ sư giải pháp
“Với các size lớn như M30, lực hãm cơ học là yếu tố sống còn. Luôn đảm bảo đầu bu lông nhô ra khỏi mặt tán nhựa ít nhất 2 đến 3 bước ren sau khi siết để vòng nylon đạt được độ ôm ren hoàn hảo nhất.” — Chuyên gia kỹ thuật cơ khí Mecsu.
c. Tài liệu tham chiếu kỹ thuật
Nội dung bài viết được xây dựng dựa trên các tiêu chuẩn quốc tế uy tín:
- Tiêu chuẩn DIN 985:1987 về đai ốc lục giác khóa bằng vòng nylon.
- Quy định cấp bền thép theo ISO 898-2 cho các dòng đai ốc thép carbon.
- Tiêu chuẩn mạ phủ bảo vệ môi trường theo chỉ thị 2011/65/EU (RoHS).
Biên soạn bởi: Đội ngũ Kỹ sư Mecsu
Chúng tôi cam kết cung cấp thông tin minh bạch và vật tư chất lượng để đồng hành cùng sự an toàn của mọi công trình.
(Tìm hiểu thêm về các tiêu chuẩn lắp xiết tại Mecsu Store)
Lưu ý: Hình ảnh mang tính minh họa kiểu dáng. Tùy theo từng đợt sản xuất, màu sắc của vòng nhựa khóa có thể là xanh, trắng hoặc đen nhưng chất lượng thép cấp bền và tính năng hãm ren luôn đạt chuẩn DIN 985.