Tán Dài (3)
Lông Đền Cầu (5)
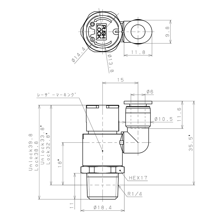
Van Tiết Lưu Khí Nén Loại Khóa Đẩy Có Hiển Thị Chỉ Số Pisco JSGS6-02AW hay còn gọi là van chỉnh lưu là một thiết bị quan trọng trong các hệ thống khí nén. Nó có chức năng điều chỉnh lưu lượng và tốc độ của dòng khí nén qua van bằng cách thay đổi tiết diện chảy. Van tiết lưu khí nén có thể được điều khiển bằng tay hoặc tự động, và có thể làm việc theo một chiều hoặc hai chiều. Van tiết lưu khí nén được ứng dụng rộng rãi trong các máy nén khí, máy đóng chai, máy ép nhôm và các dây chuyền sản xuất thực phẩm.
Những thương hiệu van tiết lưu phổ biến: Airtac, CDC, Sang-A...
