Tổng Quan Về Tán Keo Thép Mạ Kẽm Trắng Cr3+ 8.8 DIN985 M14
Mục Lục
- 1. Tìm hiểu về Tán Keo Thép 8.8 DIN985 M14 và cơ chế tự khóa?
- 2. Bảng dữ liệu kỹ thuật chi tiết đai ốc khóa M14 cấp bền 8.8
- 3. Phân tích cấu trúc và kích thước hình học của Tán Keo M14
- 4. Giá trị của thép cường độ 8.8 và lớp phủ bảo vệ Cr3+ là gì?
- 5. Nguyên lý vận hành chống rung và lực hãm của đai ốc M14
- 6. Các tiêu chuẩn phân loại đai ốc chống tháo phổ biến hiện nay
- 7. Đánh giá ưu thế vượt trội và lưu ý vận hành Tán DIN985 M14
- 8. Tán Keo 8.8 Cr3+ M14 thường được ứng dụng trong các hệ thống nào?
- 9. Khả năng chịu nhiệt và đặc tính chống oxy hóa của lớp mạ Cr3+
- 10. Hướng dẫn quy trình lắp đặt chuẩn kỹ thuật cho kích cỡ M14
- 11. Bí quyết nhận diện tán keo 8.8 chính hãng và sản phẩm kém chất lượng
- 12. Chính sách chiết khấu và năng lực cung ứng linh kiện tại Mecsu
- 13. Giải đáp thắc mắc (FAQ) về dòng Tán Keo Thép Mạ Kẽm M14
- 14. Trung tâm hỗ trợ kỹ thuật và giải pháp liên kết tại Mecsu
- 15. Đúc kết thực tế từ chuyên gia hiện trường về đai ốc khóa
1. Tìm hiểu về Tán Keo Thép 8.8 DIN985 M14 và cơ chế tự khóa?
Tán Keo Thép Mạ Kẽm Trắng Cr3+ 8.8 DIN985 M14 là loại đai ốc lục giác đặc chủng, được thiết kế với một vòng nhựa nylon (nylon insert) gắn cố định ở đầu. Đây là giải pháp lắp xiết tiên tiến giúp loại bỏ hiện tượng tự tháo lỏng của mối ghép trong các điều kiện vận hành chịu rung chấn liên tục hoặc tải trọng động lớn.
Sản phẩm sử dụng hệ ren M14 với bước ren thô tiêu chuẩn, được chế tạo từ thép cacbon cường độ cao (Cấp bền 8.8) và xử lý bề mặt bằng công nghệ mạ kẽm trắng Cr3+ hiện đại. Với kích thước lớn, tán keo M14 đóng vai trò then chốt trong việc bảo vệ sự ổn định của các liên kết cơ khí quan trọng, đảm bảo bu lông không bị xoay ngược dưới tác động của ngoại lực.
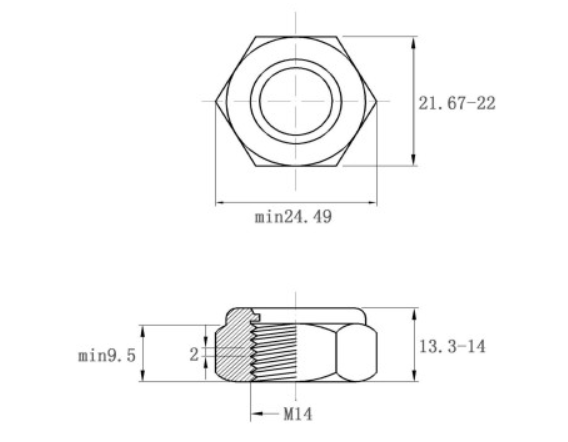
2. Bảng dữ liệu kỹ thuật chi tiết đai ốc khóa M14 cấp bền 8.8
D: Đường kính danh định ren (14mm)
S: Kích thước lục giác ngoài (Khóa 22mm)
H: Chiều cao tổng thể (14mm)
| Thông số kỹ thuật
|
Giá trị chi tiết
|
| Mã đơn hàng tại Mecsu
|
0060718
|
| Mã linh kiện (MPN)
|
N03M1401D20
|
| Size Ren (D)
|
M14
|
| Bước ren (Hệ Met)
|
2.0 mm
|
| Khóa vặn (S)
|
22 mm
|
| Chiều cao đai ốc (H)
|
14 mm
|
| Thành phần cấu tạo
|
Thép cấp bền 8.8
|
| Lớp phủ bảo vệ
|
Mạ kẽm trắng Cr3+
|
| Quy cách kỹ thuật
|
DIN 985
|
| Nguồn gốc sản xuất
|
Trung Quốc
|
| Giá niêm yết
|
2,381 đ / Cái
|
3. Phân tích cấu trúc và kích thước hình học của Tán Keo M14
Tán Keo M14 DIN 985 sở hữu thiết kế hình học chính xác để tối ưu hóa khả năng bám giữ:
- Thân đai ốc lục giác 22mm: Được gia công từ thép 8.8 cứng cáp, chịu được mô-men xoắn siết lớn mà không gây biến dạng các cạnh khóa.
- Vòng nhựa khóa cao cấp: Lớp polymer này được nén chặt ở phía trên đai ốc, có đường kính nhỏ hơn ren bu lông để tạo ra ma sát khóa khi lắp ráp.
- Lớp mạ kẽm Cr3+: Tạo nên bề mặt mịn đẹp, đồng thời ngăn chặn sự xâm nhập của các tác nhân gây ăn mòn điện hóa.
Với độ dày 14mm, tán keo M14 cung cấp diện tích tiếp xúc ren lớn, đủ khả năng chịu tải trọng kéo nặng, trong khi vành nhựa hãm đảm bảo tính ổn định tuyệt đối cho toàn bộ hệ thống liên kết.
4. Giá trị của thép cường độ 8.8 và lớp phủ bảo vệ Cr3+ là gì?
Sự kết hợp giữa Thép 8.8 cường độ cao và công nghệ Mạ kẽm Cr3+ mang lại những lợi ích kỹ thuật vượt trội:
- Độ bền kéo ấn tượng: Thép 8.8 cho phép đai ốc M14 chịu được ứng suất kéo lên đến 800 MPa, phù hợp cho các kết cấu chịu lực nặng.
- Bảo vệ môi trường (Cr3+): Công nghệ mạ không chứa Crom hóa trị 6 độc hại, đáp ứng đầy đủ các tiêu chuẩn RoHS khắc nghiệt của quốc tế.
- Độ bóng và tính thẩm mỹ: Lớp phủ trắng xanh mang lại vẻ ngoài chuyên nghiệp cho thiết bị, đồng thời chống lại hiện tượng gỉ sét trắng hiệu quả.
5. Nguyên lý vận hành chống rung và lực hãm của đai ốc M14
Cơ chế hãm ren của tán keo M14 dựa trên sự biến dạng vật lý của vòng nhựa:
- Nén đàn hồi: Khi bu lông đi xuyên qua vòng nhựa nylon, nhựa sẽ bị ép chặt vào các rãnh ren, tạo ra lực giữ cơ học mạnh mẽ.
- Lực ma sát duy trì: Ngay cả khi lực kẹp dọc trục của bu lông bị suy giảm theo thời gian, lực ma sát từ vòng nhựa vẫn giữ cho đai ốc không bị xoay tự do.
- An toàn tuyệt đối: Khả năng kháng rung của tán keo M14 vượt xa các loại đai ốc thông thường kết hợp với long đền vênh.
6. Các tiêu chuẩn phân loại đai ốc chống tháo phổ biến hiện nay
Trong ngành lắp xiết, các loại tán khóa được phân loại dựa trên quy chuẩn kích thước và đặc điểm bề mặt:
Phân loại theo kích thước chiều cao:
- DIN 985: Đây là dạng tán keo "thấp", được sử dụng phổ biến nhất nhờ tính gọn nhẹ và linh hoạt trong không gian lắp đặt hẹp.
- DIN 982: Dạng tán keo "cao", thân dày hơn giúp tăng cường khả năng chịu lực hãm và tải trọng cơ khí.
Phân loại theo phương pháp xử lý bề mặt:
- Mạ kẽm trắng Cr3+: Thân thiện môi trường, chống rỉ tốt, độ sáng bóng cao.
- Mạ kẽm nhúng nóng: Lớp bảo vệ cực dày cho các công trình ngoài trời nhưng độ chính xác ren thấp hơn.
- Thép cường độ cao (Nhuộm đen): Thường dùng trong các cụm chi tiết ngập dầu, yêu cầu độ cứng bề mặt cao.
7. Đánh giá ưu thế vượt trội và lưu ý vận hành Tán DIN985 M14
Việc sử dụng tán keo M14 mang lại sự an tâm tuyệt đối nhưng cần hiểu rõ các đặc tính kỹ thuật:
Ưu điểm nổi bật:
- Chống lỏng bu lông hiệu quả: Đảm bảo an toàn cho các thiết bị công nghiệp nặng.
- Tiết kiệm chi phí: Loại bỏ nhu cầu sử dụng keo khóa ren lỏng hoặc các phương pháp hãm cơ khí đắt tiền khác.
- Dễ dàng kiểm soát: Việc lắp đặt đơn giản bằng các dụng cụ cầm tay tiêu chuẩn.
Lưu ý kỹ thuật:
- Giới hạn nhiệt độ: Vòng nylon bắt đầu mất tính đàn hồi trên 120 độ C, do đó không phù hợp cho các khu vực lò hơi hoặc động cơ nhiệt cao.
- Khả năng tái sử dụng: Mỗi lần tháo lắp sẽ làm mòn vòng nhựa, làm giảm mô-men hãm của đai ốc.
8. Tán Keo 8.8 Cr3+ M14 thường được ứng dụng trong các hệ thống nào?
Với kích cỡ lớn M14 và cấp bền 8.8, loại tán keo này là thành phần không thể thiếu trong các kết cấu chịu lực lớn:
- Ngành Máy Xây Dựng: Lắp ráp khung gầm, bộ phận truyền động của máy xúc, máy ủi nơi chịu rung chấn cực mạnh từ mặt đất.
- Kết Cấu Thép Công Nghiệp: Cố định các thanh giằng, kèo thép trong nhà xưởng hoặc các tháp viễn thông chịu tải trọng gió lớn.
- Sản Xuất Ô Tô Và Xe Tải: Sử dụng trong hệ thống treo, trục bánh xe và khung gầm xe tải nặng để ngăn ngừa sự cố rụng bu lông.
- Hệ Thống Năng Lượng: Lắp đặt các bộ phận của trụ điện gió, hệ thống giá đỡ pin mặt trời quy mô lớn trên mặt đất.
- Cơ Khí Chế Tạo Nặng: Lắp ráp các máy ép thủy lực, máy cán tôn và các thiết bị tự động hóa có chu kỳ chuyển động nhanh.
9. Khả năng chịu nhiệt và đặc tính chống oxy hóa của lớp mạ Cr3+
Tán keo M14 mạ Cr3+ hoạt động ổn định nhất trong dải nhiệt độ từ -50 độ C đến khoảng 100 độ C. Lớp mạ kẽm trắng không chỉ tăng tính thẩm mỹ mà còn tạo ra một lớp màng thụ động bảo vệ thép khỏi tác động của độ ẩm và oxy hóa không khí. Đối với thép 8.8, độ bền vật liệu được duy trì tốt dưới các tải trọng tĩnh và động, giúp liên kết luôn chắc chắn trong suốt vòng đời sản phẩm.
10. Hướng dẫn quy trình lắp đặt chuẩn kỹ thuật cho kích cỡ M14
Để phát huy tối đa lực hãm của tán keo M14, kỹ thuật viên cần thực hiện đúng quy trình:
Các bước thực hiện:
- Vệ sinh ren bu lông: Loại bỏ bụi bẩn và mạt sắt để không làm hỏng vòng nhựa nylon khi bắt đầu vặn.
- Vặn mồi: Xoay đai ốc vào bu lông bằng tay cho đến khi bắt đầu chạm vào phần vành nhựa phía trên.
- Siết lực tiêu chuẩn: Sử dụng khóa vặn hoặc đầu tuýp 22mm. Khi thấy nặng tay, tiếp tục siết đến khi đạt mô-men xoắn yêu cầu của bản vẽ kỹ thuật.
Lời khuyên:
- Không sử dụng súng bắn bu lông với tốc độ quá cao: Ma sát sinh nhiệt có thể làm nóng chảy vòng nhựa cục bộ, làm giảm hiệu quả chống tháo của đai ốc.
11. Bí quyết nhận diện tán keo 8.8 chính hãng và sản phẩm kém chất lượng
Việc chọn đúng linh kiện đạt chuẩn giúp bảo vệ an toàn cho toàn bộ công trình:
- Ký hiệu cấp bền: Trên bề mặt tán keo chính hãng thường được dập nổi hoặc chìm số 8 để khẳng định cấp bền 8.8 theo tiêu chuẩn quốc tế.
- Chất lượng nhựa nylon: Vòng nhựa tại Mecsu có độ đàn hồi cao, màu sắc đồng nhất và không bị nứt vỡ khi tiếp xúc với ren bu lông.
- Bề mặt hoàn thiện: Lớp mạ Cr3+ chuẩn sẽ có màu trắng xanh mịn màng, không bị sần sùi hoặc lốm đốm gỉ sét như hàng gia công thô.
12. Chính sách chiết khấu và năng lực cung ứng linh kiện tại Mecsu?
a. Báo giá tham khảo: 2,381 đ / Cái (Giá đã bao gồm thuế)
Mecsu cam kết cung cấp dòng tán keo 8.8 M14 với mức giá cạnh tranh nhất trên thị trường. Chúng tôi có chính sách giá sỉ đặc biệt cho các nhà máy đóng tàu, xưởng lắp ráp cơ khí và các đơn vị thầu xây dựng cần số lượng lớn cho công trình.
b. Giá trị cốt lõi tại Mecsu
- NHANH: Hệ thống xử lý đơn hàng và vận chuyển tối ưu thời gian.
- ĐÚNG: Đảm bảo giao đúng mã linh kiện N03M1401D20 và quy chuẩn DIN 985.
- ĐỦ: Cam kết số lượng chính xác tuyệt đối theo yêu cầu khách hàng.
- KỊP THỜI: Luôn sẵn sàng kho hàng phục vụ các dự án khẩn cấp.
ĐẶT MUA TÁN KEO THÉP 8.8 M14 TẠI ĐÂY
13. Giải đáp thắc mắc (FAQ) về dòng Tán Keo Thép Mạ Kẽm M14
a. Tại sao tán keo M14 vặn tay vào rất khó khăn?
Đây chính là đặc điểm thiết kế của sản phẩm. Khi bu lông chạm vào vòng nhựa nylon, bạn sẽ cảm thấy lực cản rất lớn. Đây là lực ma sát cần thiết để tạo ra khả năng chống tháo lỏng cho mối nối.
b. Tôi có thể dùng tán keo này cho bu lông ren mịn 1.5mm không?
Không được. Đai ốc M14 DIN 985 chuẩn có bước ren thô 2.0mm. Việc cố tình vặn vào bu lông ren mịn sẽ làm hỏng hoàn toàn ren của cả hai linh kiện.
c. Sản phẩm này có dùng được trong môi trường hóa chất không?
Lớp mạ kẽm Cr3+ bảo vệ tốt trong môi trường không khí và ẩm nhẹ. Nếu làm việc trong môi trường axit mạnh hoặc hóa chất ăn mòn, bạn nên chuyển sang dòng Tán Keo Inox 316 để có độ bền tốt hơn.
d. Có cần dùng thêm long đền vênh cùng với tán keo M14 không?
Không cần thiết. Tán keo M14 đã tích hợp sẵn chức năng khóa ren hiệu quả hơn so với sự kết hợp truyền thống của đai ốc thường và long đền vênh.
e. Làm sao để biết đai ốc này đã đạt chuẩn 8.8?
Ngoài ký hiệu số 8 trên thân tán, bạn có thể kiểm tra qua độ cứng bề mặt hoặc yêu cầu chứng chỉ xuất xưởng (CO/CQ) từ nhà cung cấp uy tín như Mecsu.
14. Trung tâm hỗ trợ kỹ thuật và giải pháp liên kết tại Mecsu
Mecsu không chỉ bán sản phẩm, chúng tôi cung cấp giải pháp. Nếu bạn đang gặp khó khăn trong việc tính toán lực siết cho size M14 hoặc cần tư vấn vật liệu cho dự án đặc thù, đội ngũ kỹ sư Mecsu luôn sẵn sàng đồng hành cùng bạn để tìm ra phương án tối ưu nhất.
Địa chỉ: B28/I - B29/I Đường số 2B, KCN Vĩnh Lộc, P. Bình Hưng Hòa B, Q. Bình Tân, TP.HCM
Tổng đài hỗ trợ: 1800 8137
Email: sales@mecsu.vn
Website: mecsu.vn
15. Đúc kết thực tế từ chuyên gia hiện trường về đai ốc khóa
a. Bài học kinh nghiệm từ hệ thống băng tải nặng
Trong một dự án bảo trì hệ thống băng tải quặng, việc sử dụng đai ốc thường đã gây ra tình trạng lỏng ren chỉ sau 1 tháng vận hành do rung động của động cơ 55kW. Sau khi thay thế đồng loạt bằng Tán Keo Thép 8.8 M14, hệ thống đã chạy ổn định liên tục hơn 1 năm mà không cần siết lại, giúp tiết kiệm hàng chục giờ bảo trì định kỳ.
b. Góc nhìn từ Kỹ sư giải pháp
“Với các mối nối size M14 trở lên, lực rung chấn tác động vào ren là rất lớn. Hãy luôn đảm bảo bu lông nhô ra khỏi mặt đai ốc ít nhất 3 bước ren để vòng nhựa nylon đạt được trạng thái ôm khít và khóa ren hoàn hảo nhất.” — Chuyên gia kỹ thuật tại Mecsu.
c. Tài liệu quy chuẩn tham chiếu
Nội dung bài viết được đối chiếu với các bộ tiêu chuẩn quốc tế:
- Quy chuẩn DIN 985 về đai ốc lục giác khóa bằng vòng nylon.
- Tiêu chuẩn vật liệu ISO 898-2 quy định về cơ tính của đai ốc thép carbon.
- Chỉ thị an toàn môi trường 2011/65/EU (RoHS).
Biên soạn bởi: Đội ngũ Kỹ thuật Mecsu
Chúng tôi luôn nỗ lực mang lại thông tin kỹ thuật chính xác nhất để đồng hành cùng sự an toàn và thành công của mọi công trình.
(Khám phá thêm các giải pháp lắp xiết tại Cửa hàng Mecsu)
Lưu ý: Hình ảnh chỉ mang tính chất minh họa kiểu dáng sản phẩm. Màu sắc của vòng nhựa khóa (xanh, trắng, đen) có thể thay đổi theo từng lô hàng nhưng chất lượng kỹ thuật và cấp bền luôn được bảo đảm theo đúng tiêu chuẩn DIN 985 M14.