Tán Dài (3)
Lông Đền Cầu (5)
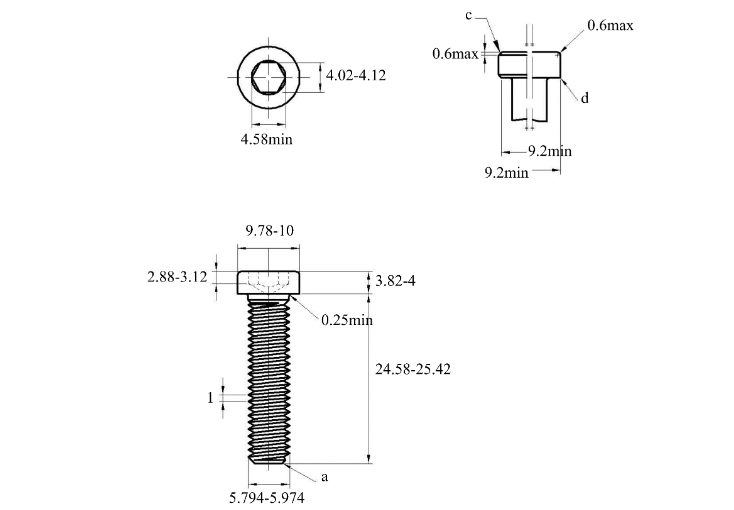
Lục Giác Trụ Đầu Thấp Inox 304 DIN7984 M6x25(Low Head Socket Screws) là một sản phẩm cơ khí được sử dụng để lắp ráp, ghép nối các chi tiết lại thành một khối, là chi tiết kẹp chặt. Chế tạo theo tiêu chuẩn DIN 7984 có hình dáng khá giống với Bulong Lục Giác Chìm Đầu Trụ DIN 912. Tuy nhiên phần đầu sẽ thấp hơn, sử dụng ở các mối lắp mà chi tiết lắp không có đủ không gian hoặc phần vật liệu mỏng nên không thể sử dụng loại bulong lục giác chìm đầu trụ DIN 912. Được làm từ thép không gỉ (inox 304), có khả năng chống ăn mòn, gỉ sét cao.
