Tán Dài (3)
Lông Đền Cầu (5)
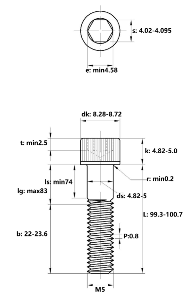
Lục Giác Chìm Đầu Trụ Thép Mạ Kẽm Trắng Cr3+ 12.9 DIN912 M5x100 Ren Lửng (socket cap bolts) là loại bulong với phần đầu trụ, dập lục giác chìm có độ sâu theo tiêu chuẩn. Bulong lục giác chìm được chế tạo theo tiêu chuẩn DIN 912 từ thép cấp bền 12.9 mạ kẽm trắng Cr3+, test phun muối 48 - 72h. Chúng thường được dùng trong các ngành lắp máy, lắp đặt các thiết bị máy móc cơ khí, thiết bị điện điện tử, hệ thống khung nhôm cửa kính,… và các mối liên kết cần đảm bảo tính thẩm mỹ và không cản trở hoạt động của các chi tiết xung quanh.
