Tán Dài                                            (3)
                                        
                                    
                                
                                            Lông Đền Cầu                                            (5)
                                        
                                    
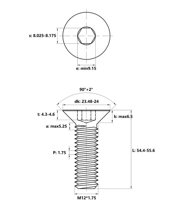
                                Lục Giác Chìm Col Inox 304 DIN7991 M12x55 (Flat Hex Head Screws) là một sản phẩm cơ khí được sử dụng để lắp ráp, ghép nối các chi tiết lại thành một khối, là chi tiết kẹp chặt. Chế tạo theo tiêu chuẩn DIN 7991 bằng vật liệu Inox 304 có khả năng chống ăn mòn cao. Thường sử dụng trong các mối lắp tiết kiệm không gian hoặc yêu cầu phải có bề mặt sau khi ghép bằng phẳng. Chúng thường được sử dụng trong các bộ phận máy, cố định khuôn và kẹp.
