Tán Dài (3)
Lông Đền Cầu (5)
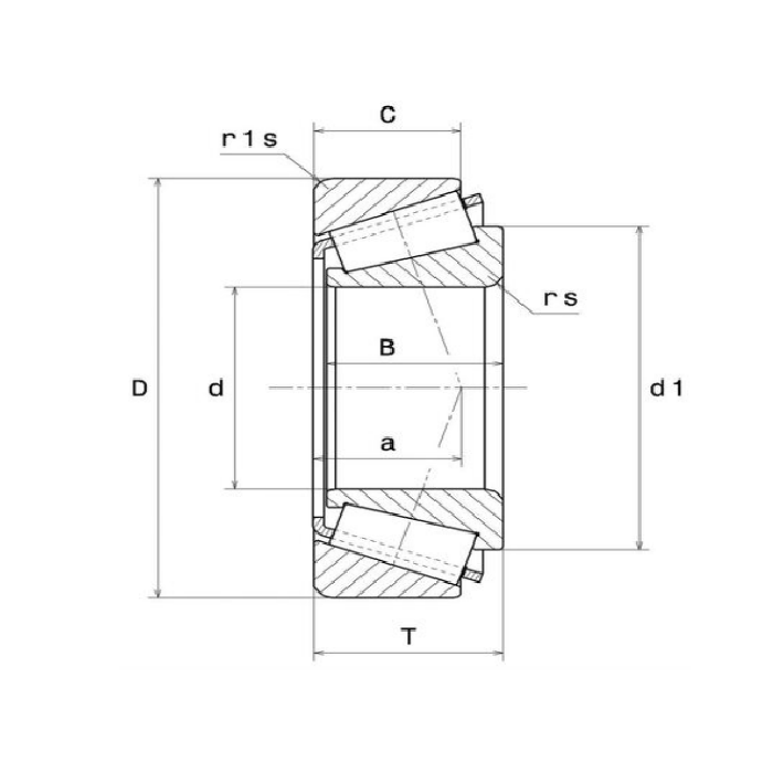
Vòng Bi Đũa Côn 1 Dãy 17.462x39.878x13.843 mm NTN 4T-LM11749/LM11710 (Bearing) hay bạc đạn là các loại ổ lăn, được xem là chi tiết truyền động cơ khí quan trọng. Tên gọi bạc đạn được dùng để phân biệt với bạc dầu - một loại ổ trượt khác. Được sử dụng trong việc đỡ trục quay và đảm bảo vận hành đều đặn, êm ái, giảm thiểu lượng nhiệt sinh ra nhờ đó tránh được việc kẹt máy. Được ứng dụng nhiều trong các lĩnh vực như xe ô tô, xe máy,… Kết cấu bạc đạn gồm có các ổ trượt với sự gắn kết của vòng ngoài hình cầu, hình trụ hoặc trụ côn để tạo thành lớp ma sát lăn.
