Khám Phá Chi Tiết Tán Thép Nhúng Nóng Kẽm 8.8 DIN934 M6 - Giải Pháp Kết Nối Nhỏ Gọn, Siêu Bền Bỉ
Mục Lục
- 1. Tán Thép Nhúng Nóng Kẽm 8.8 DIN934 M6 là gì và giá trị thực tiễn?
- 2. Bảng dữ liệu kỹ thuật chi tiết của Đai Ốc M6 Cấp Bền 8.8
- 3. Đặc điểm hình học và tiêu chuẩn chế tạo DIN 934 của Tán M6
- 4. Tại sao cấp bền 8.8 và lớp mạ nhúng nóng lại quan trọng?
- 5. Khả năng chịu tải và cơ chế chống tự tháo của đai ốc lục giác
- 6. So sánh các loại đai ốc thép cấp bền hiện có trên thị trường
- 7. Đánh giá những lợi thế và hạn chế của Tán Nhúng Nóng M6
- 8. Các kịch bản sử dụng tối ưu cho Tán Thép 8.8 Nhúng Nóng trong công trình
- 9. Độ bền môi trường và tính ổn định vật liệu của đai ốc nhúng nóng kẽm
- 10. Hướng dẫn lắp siết đúng kỹ thuật cho đai ốc M6 cấp bền cao
- 11. Cách kiểm tra chất lượng và nhận biết đai ốc DIN 934 chuẩn
- 12. Cập nhật báo giá và địa điểm cung cấp Tán Thép 8.8 uy tín
- 13. Giải đáp các thắc mắcc thường gặp về Tán Nhúng Nóng Kẽm M6
- 14. Dịch vụ tư vấn giải pháp liên kết và hỗ trợ chuyên nghiệp từ Mecsu
- 15. Kinh nghiệm thi công và lời khuyên từ đội ngũ kỹ thuật Mecsu
1. Tán Thép Nhúng Nóng Kẽm 8.8 DIN934 M6 là gì và giá trị thực tiễn?
Tán Thép Nhúng Nóng Kẽm 8.8 DIN934 M6 là dòng đai ốc lục giác kích thước nhỏ nhưng sở hữu sức mạnh liên kết đáng nể. Sản phẩm được thiết kế để vận hành cùng với bulong hoặc thanh ren hệ mét M6, tạo nên những mối nối cơ khí ổn định. Dù có kích thước nhỏ, nhưng với vật liệu thép cường độ cao, loại tán này vẫn đảm bảo khả năng chịu lực vượt trội cho các chi tiết máy và kết cấu phụ trợ.

Mã sản phẩm N01M0601D40 tuân thủ chặt chẽ hệ tiêu chuẩn DIN 934. Điểm sáng của sản phẩm chính là lớp bảo vệ kẽm nhúng nóng (HDG), mang lại khả năng kháng ăn mòn hóa học và chống rỉ sét tuyệt vời trong các môi trường công nghiệp khắc nghiệt nhất, điều mà các loại tán mạ điện thông thường khó lòng đáp ứng được.
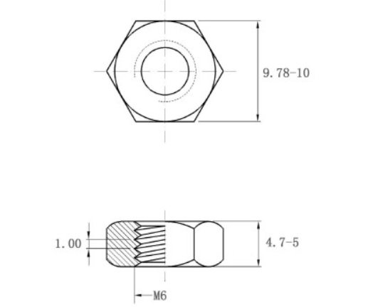
2. Bảng dữ liệu kỹ thuật chi tiết của Đai Ốc M6 Cấp Bền 8.8
Size: Kích thước ren tiêu chuẩn M6
Standard: Tuân thủ quy định DIN 934
Coating: Xử lý bề mặt bằng kẽm nhúng nóng
| Thông số kỹ thuật |
Giá trị chi tiết |
| Mã đặt hàng |
0064413 |
| Mã sản phẩm (MPN) |
N01M0601D40 |
| Tiêu chuẩn chế tạo |
DIN 934 |
| Hệ kích thước |
Met |
| Kích thước ren |
M6 |
| Bước ren thô |
1.0 mm |
| Vật liệu cốt |
Thép cấp bền 8.8 |
| Phương pháp bảo vệ |
Nhúng nóng kẽm (HDG) |
| Kích thước lục giác (S) |
10 mm |
| Độ dày tán (m) |
5 mm |
| Nguồn gốc |
Trung Quốc |
3. Đặc điểm hình học và tiêu chuẩn chế tạo DIN 934 của Tán M6
Cấu tạo của tán M6 nhúng nóng hướng đến sự đồng bộ và chính xác tuyệt đối trong lắp ráp kỹ thuật:
- Kiểu dáng lục giác tiêu chuẩn: Với kích thước khóa 10mm, người thợ có thể dễ dàng sử dụng các dụng cụ cầm tay phổ biến để lắp đặt nhanh chóng, đảm bảo truyền lực đồng đều lên các cạnh.
- Độ chuẩn DIN 934: Việc áp dụng tiêu chuẩn Đức giúp sản phẩm có thông số bước ren 1mm và độ dày 5mm hoàn hảo, cho phép thay thế linh hoạt cho mọi hệ thống máy móc sử dụng ren M6 toàn cầu.
- Kỹ thuật ren đặc biệt: Lòng ren được gia công tỉ mỉ để bù trừ độ dày của lớp mạ kẽm, giúp việc vặn ren với bulong luôn diễn ra trơn tru, không xảy ra hiện tượng kẹt ren do lớp mạ dày.
Sự tinh tế trong hình học giúp đai ốc M6 phân bổ ứng suất tối ưu, giữ cho liên kết luôn bền vững dưới mọi tác động vật lý.

4. Tại sao cấp bền 8.8 và lớp mạ nhúng nóng lại quan trọng?
Đây là sự kết hợp "vàng" mang lại hiệu suất sử dụng lâu dài cho vật tư phụ trợ:
- Thép cường độ 8.8: Cung cấp khả năng chịu kéo và giới hạn chảy cao gấp nhiều lần so với thép thường, ngăn ngừa tình trạng biến dạng ren khi siết mạnh.
- Công nghệ nhúng nóng kẽm: Tạo ra lớp bảo vệ dày và bám dính cực mạnh, bảo vệ lõi thép bên trong theo phương thức bảo vệ điện hóa chủ động, giúp sản phẩm tồn tại bền bỉ trong môi trường sương muối.
- Tính kinh tế dài hạn: Nhờ độ bền vật liệu cao, công trình sẽ ít phải thay thế hay bảo dưỡng định kỳ, giúp tối ưu chi phí vận hành cho chủ đầu tư.
5. Khả năng chịu tải và cơ chế chống tự tháo của đai ốc lục giác
Dù nhỏ bé, tán M6 cấp bền 8.8 vẫn mang lại sự an tâm tuyệt đối:
- Chịu mô-men xoắn ổn định: Cốt thép cứng cáp giúp tán chịu được lực siết tối ưu từ các loại khóa 10mm mà không lo bị tuôn ren hay biến dạng lục giác.
- Gia tăng ma sát: Bề mặt kẽm nhúng nóng hơi nhám giúp tăng cường lực ma sát giữa mặt tán và bề mặt lắp ghép, hỗ trợ khóa chặt liên kết.
- Phối hợp linh kiện: Khi kết hợp với lông đền vênh hoặc keo khóa ren, tán M6 tạo thành một tổ hợp chống rung hiệu quả cho các thiết bị điện tử hoặc máy móc rung động nhẹ.
6. So sánh các loại đai ốc thép cấp bền hiện có trên thị trường
Lựa chọn đúng loại đai ốc dựa trên môi trường sử dụng là yếu tố then chốt:
Dựa trên phương pháp bảo vệ:
- Tán nhuộm đen: Không có lớp mạ bảo vệ, chỉ dùng được trong môi trường có dầu mỡ chống rỉ.
- Tán mạ trắng/xi kẽm: Tính thẩm mỹ cao, phù hợp lắp ráp trong nhà, nơi khô ráo.
- Tán kẽm nhúng nóng (Sản phẩm hiện tại): Lớp mạ dày màu xám mờ, là lựa chọn số một cho môi trường ngoài trời hoặc công nghiệp nặng.
Dựa trên cấp độ bền:
- Cấp bền 4.8/5.8: Phổ biến trong lắp ráp nội thất hoặc các vật dụng gia đình nhẹ nhàng.
- Cấp bền 8.8 (Sản phẩm hiện tại): Đạt tiêu chuẩn cho các yêu cầu chịu tải trọng kỹ thuật cao.
7. Đánh giá những lợi thế và hạn chế của Tán Nhúng Nóng M6
Mọi sản phẩm kỹ thuật đều có những đặc thù riêng cần lưu ý:
Ưu điểm nổi bật:
- Kháng thời tiết cực tốt: Chấp nhận mọi điều kiện ẩm ướt, mưa gió mà không bị ăn mòn rỉ sét.
- Độ cứng lý tưởng: Cấp bền 8.8 đảm bảo tính nguyên vẹn của mối nối dưới áp lực công việc lớn.
- Lắp ghép tiêu chuẩn: Dễ dàng phối hợp với các phụ kiện M6 khác nhờ tuân thủ DIN 934.
Hạn chế lưu ý:
- Độ dày lớp mạ: Do mạ nhúng nóng có lớp kẽm dày, đôi khi mặt ngoài trông không mượt bằng mạ điện.
- Đồng bộ hệ thống: Chỉ nên sử dụng cùng với bulong cũng được mạ nhúng nóng để đảm bảo vừa vặn về mặt kích thước ren.
8. Các kịch bản sử dụng tối ưu cho Tán Thép 8.8 Nhúng Nóng trong công trình
Sản phẩm tán M6 nhúng nóng thường xuất hiện trong các chi tiết lắp ráp đòi hỏi sự nhỏ gọn nhưng bền bỉ:
- Lắp đặt hệ thống camera giám sát: Đảm bảo các ốc vít cố định chân đế camera ngoài trời không bị mục nát do tác động của độ ẩm và oxy hóa.
- Cơ cấu tản nhiệt và thông gió: Sử dụng để bắt nối các khung quạt, lưới bảo vệ trong các trạm viễn thông ngoài trời.
- Phụ kiện năng lượng mặt trời: Dùng cho các linh kiện bắt nối dây tiếp địa hoặc các thanh nẹp nhỏ trong hệ khung giá đỡ pin solar.
- Thiết bị biển quảng cáo: Đảm bảo các bảng hiệu, khung sắt ngoài trời không bị mục nát mối nối do rỉ sét theo thời gian.
- Lắp ráp tủ điện công nghiệp: Cố định các thanh ray, giá đỡ thiết bị bên trong các tủ điện đặt tại khu vực có độ ăn mòn cao.

9. Độ bền môi trường và tính ổn định vật liệu của đai ốc nhúng nóng kẽm
Khả năng chịu đựng sự khắc nghiệt của tán thép 8.8 nhúng nóng là điểm tựa cho chất lượng công trình:
Nhờ quá trình xử lý nhiệt luyện đạt chuẩn cấp bền 8.8, đai ốc duy trì được cấu trúc tinh thể thép ổn định, không bị giòn hóa dưới tác động của nhiệt độ môi trường biến thiên. Lớp mạ kẽm đóng vai trò như một lớp áo giáp ngăn cách hoàn toàn lõi thép với oxy và độ ẩm. Ngay cả khi làm việc trong các khu vực có hóa chất nhẹ hay hơi muối biển, sản phẩm vẫn giữ được đặc tính cơ lý, tránh xa tình trạng kẹt chết mối nối do oxy hóa bề mặt.
10. Hướng dẫn lắp siết đúng kỹ thuật cho đai ốc M6 cấp bền cao
Quy trình thi công đúng chuẩn sẽ giúp kéo dài tuổi thọ mối liên kết:
Các bước thực hiện gợi ý:
- Vệ sinh sơ bộ: Lau sạch bụi bẩn trên ren bulong trước khi vặn tán vào để tránh làm xước lớp kẽm bảo vệ.
- Tiếp xúc ren: Vặn nhẹ tán vào bằng tay để khớp ren hoàn toàn, tránh vặn lệch ren gây hỏng cấu trúc ren trong của tán.
- Siết chặt vừa đủ: Sử dụng cờ lê 10mm siết một lực vừa tay. Đối với các yêu cầu kỹ thuật cao, nên dùng cờ lê lực để đạt được thông số torque mong muốn.
Lời khuyên thi công:
- Tránh siết quá lực làm đứt thân bulong M6 vốn có đường kính nhỏ.
- Luôn kiểm tra sự đồng bộ nhúng nóng giữa tán và bulong để có sự lắp ghép êm ái nhất.
11. Cách kiểm tra chất lượng và nhận biết đai ốc DIN 934 chuẩn
Nhận diện hàng chính hãng giúp bạn tránh được rủi ro mất an toàn:
- Dấu hiệu trên bề mặt: Tán 8.8 thật thường có ký hiệu số 8 hoặc 8.8 dập sắc nét ở mặt trên.
- Cảm quan lớp mạ: Lớp mạ HDG có màu xám đặc trưng, bề mặt không quá bóng loáng nhưng bám rất chắc, không bị bong tróc từng mảng khi va chạm.
- Đo đạc thực tế: Độ dày phải đạt xấp xỉ 5mm và bề rộng lục giác phải khớp với khóa 10mm tiêu chuẩn.
12. Cập nhật báo giá và địa điểm cung cấp Tán Thép 8.8 uy tín
a. Giá bán tham khảo Tán Thép Nhúng Nóng M6: 507 đ / Cái (Đã bao gồm thuế VAT)
Lưu ý: Báo giá có thể dao động tùy theo thời điểm và khối lượng mua hàng. Hãy liên hệ với Mecsu để nhận được mức giá sỉ tốt nhất cho các đại lý và đơn vị thầu thi công.
b. Cam kết từ hệ thống Mecsu
- Chất lượng hàng đầu: Mọi sản phẩm đều có nguồn gốc rõ ràng, đạt chuẩn DIN 934.
- Phục vụ tận tâm: Hỗ trợ giao hàng nhanh chóng và tư vấn kỹ thuật chính xác cho từng loại công trình.
XEM THÊM CÁC DÒNG TÁN NHÚNG NÓNG KẾM (HDG) TẠI MECSU
13. Giải đáp các thắc mắc thường gặp về Tán Nhúng Nóng Kẽm M6
a. Tôi có thể lắp tán M6 nhúng nóng này vào các loại bulong thép đen thông thường không?
Không nên, vì tán nhúng nóng M6 được taro ren rộng hơn một chút để trừ hao lớp mạ. Nếu lắp vào bulong thép đen, bước ren sẽ bị lỏng và không đảm bảo khả năng chịu tải an toàn.
b. Tại sao sản phẩm nhúng nóng kẽm lại có màu xám đục chứ không sáng bóng?
Đây là đặc điểm tự nhiên của quá trình kẽm nóng chảy bám vào bề mặt thép ở nhiệt độ cao. Màu sắc này chứng minh lớp kẽm đủ dày để bảo vệ lõi thép vĩnh cửu thay vì chỉ mạ một lớp mỏng trang trí.
c. Tán M6 8.8 có dùng được cho các thiết bị rung lắc mạnh không?
Mặc dù thép 8.8 rất cứng, nhưng với kích thước M6 nhỏ, bạn nên dùng thêm lông đền vênh hoặc vòng đệm khóa để ngăn chặn tình trạng đai ốc tự nới lỏng do rung động cơ khí lâu ngày.
d. Bước ren 1.0mm có phải là loại ren phổ biến nhất không?
Đúng, đây là bước ren thô tiêu chuẩn cho hệ mét M6, tương thích với đại đa số bulong và vít máy hiện nay trên thị trường.
e. Lớp mạ kẽm này có chịu được môi trường hóa chất tẩy rửa không?
Sản phẩm chịu được các tác nhân oxi hóa từ môi trường tự nhiên rất tốt. Tuy nhiên, với các hóa chất tẩy rửa mạnh hoặc axit đậm đặc, lớp kẽm vẫn bị ăn mòn. Trong trường hợp đó, bạn nên cân nhắc sử dụng tán Inox.
14. Dịch vụ tư vấn giải pháp liên kết và hỗ trợ chuyên nghiệp từ Mecsu
Mecsu tự hào là đơn vị tiên phong trong việc cung cấp các giải pháp vật tư liên kết chất lượng cao tại Việt Nam. Chúng tôi không chỉ cung cấp sản phẩm tán M6 8.8 đạt chuẩn mà còn mang đến sự an tâm cho khách hàng thông qua dịch vụ tư vấn kỹ thuật chuyên sâu. Đội ngũ Mecsu luôn sẵn sàng giải đáp mọi thắc mắc về tải trọng, môi trường ứng dụng và cách chọn lựa vật tư tối ưu nhất. Với quy trình đặt hàng thông minh trên website mecsu.vn, việc mua sắm vật tư kỹ thuật chưa bao giờ dễ dàng và nhanh chóng đến thế.

Địa chỉ liên hệ: B28/I - B29/I Đường số 2B, KCN Vĩnh Lộc, P. Bình Hưng Hòa B, Q. Bình Tân, TP.HCM
Đường dây nóng: 1800 8137
Email tiếp nhận yêu cầu: sales@mecsu.vn
Website thương mại điện tử: mecsu.vn
15. Kinh nghiệm thi công và lời khuyên từ đội ngũ kỹ thuật Mecsu
a. Sai lầm thường gặp về việc lắp lẫn loại mạ
Nhiều khách hàng sử dụng tán nhúng nóng M6 lắp cho bulong mạ điện phân. Kết quả là mối nối rất khó vặn vào hoặc bị cháy ren ngay lập tức do bulong mạ điện có kích thước ren chuẩn, không bù trừ độ dày như bulong nhúng nóng. Hãy luôn nhớ: Nhúng nóng đi với nhúng nóng.
b. Góc nhìn từ chuyên gia cơ khí
Sức mạnh của một hệ thống máy móc đôi khi nằm ở những linh kiện nhỏ nhất như đai ốc M6. Việc sử dụng đúng cấp bền 8.8 và lớp mạ nhúng nóng là cách rẻ nhất nhưng hiệu quả nhất để bảo vệ giá trị của toàn bộ thiết bị khỏi sự tàn phá của thời gian. — Chuyên viên kỹ thuật Mecsu.
c. Nguồn tra cứu kỹ thuật tham khảo
Thông tin bài viết được tổng hợp từ:
- Hệ thống tiêu chuẩn DIN 934 quốc tế về đai ốc lục giác.
- Tiêu chuẩn cơ tính thép ISO 898-2.
- Tiêu chuẩn chất lượng lớp phủ kẽm nhúng nóng ISO 1461.
Bản quyền nội dung thuộc về: Ban biên tập Mecsu
Chúng tôi nỗ lực vì sự an toàn và minh bạch thông tin trong ngành cơ khí Việt Nam.
(Tìm hiểu thêm các chính sách hỗ trợ tại Trang liên hệ Mecsu)
Lưu ý: Hình ảnh minh họa có thể khác biệt đôi chút với thực tế do góc chụp. Vui lòng dựa trên mã MPN N01M0601D40 để đảm bảo nhận đúng tán M6 nhúng nóng kẽm thép 8.8.
370 Cái Có sẵn
507 đ / Cái