Tán Dài (3)
Lông Đền Cầu (5)
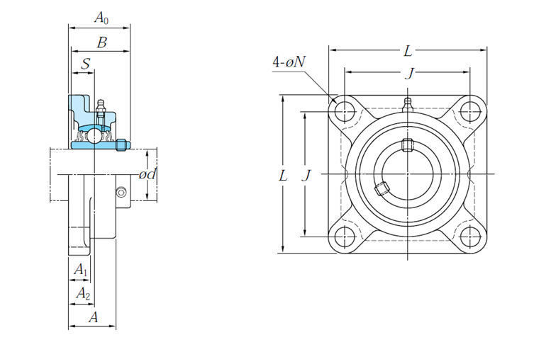
Gối Đỡ Mặt Bích Vuông UCF 60x175x48 mm Koyo UCF212 là một dạng chi tiết lắp bên ngoài các hệ thống băng chuyền cụm máy. Nó không phải là chi được dùng bên trong của các bộ phận máy. Nó có các đặc tính tương tự như bi cầu nhưng phần gối đỡ ôm lấy bi có nhiều hình dạng khác nhau như: vuông, tròn, omega, hình thoi.. để phù hợp với từng ứng dụng khác nhau của nó. Chức năng chính của gối đỡ vòng bi là giữ các trục dẫn máy theo chiều nằm ngang hoặc thẳng đứng trên các chi tiết máy.
