Đầu Nối Nhanh Khí Nén Chữ Y Phi 6mm CDC MPY 06: Giải Pháp Chia Nhánh Tối Ưu cho Hệ Thống Khí Nén
Trong các hệ thống khí nén và nước công nghiệp, việc phân chia và định tuyến đường ống là yếu tố then chốt để tối ưu hóa hiệu suất. Sản phẩm Đầu Nối Nhanh Khí Nén Chữ Y CDC MPY 06, thuộc dòng M-ONE-TOUCH FITTINGS của CDC Pneumatics (Hàn Quốc), là một giải pháp lý tưởng. Với thiết kế hình chữ Y độc đáo và cơ chế kết nối "một chạm" tiện lợi, MPY 06 cho phép lắp đặt và tháo gỡ ống nhanh chóng, dễ dàng, phù hợp với đa dạng môi trường ứng dụng công nghiệp.

1. Giới thiệu chung về Đầu Nối Nhanh Khí Nén Chữ Y CDC MPY 06
Đầu nối nhanh khí nén model MPY 06 của CDC được thiết kế để nối ba ống khí nén theo cấu hình chữ Y, tạo điều kiện thuận lợi cho việc chia luồng hoặc kết hợp các đường ống. Với phương pháp kết nối "một chạm", sản phẩm này giúp giảm đáng kể thời gian và công sức lắp đặt, bảo trì. MPY 06 là lựa chọn tuyệt vời cho những hệ thống cần sự linh hoạt cao trong việc thay đổi hoặc mở rộng đường ống. Sản phẩm này được thiết kế để sử dụng với ống khí nén có đường kính ngoài 6mm.
2. Thông số kỹ thuật chi tiết của CDC MPY 06

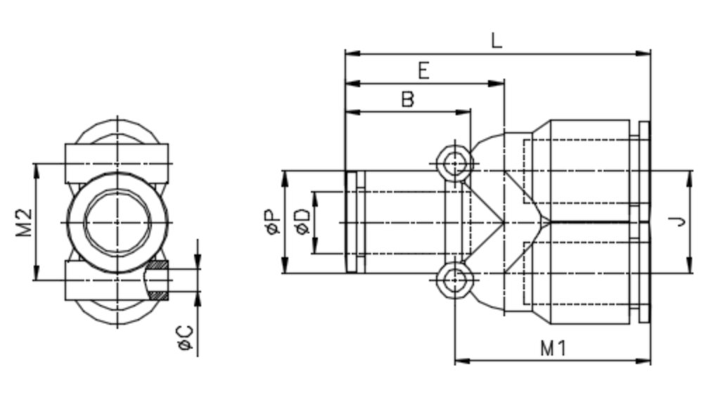
Thông số
|
Giá trị (MPY 06)
|
Model
|
MPY06
|
Hình dáng
|
Chữ Y
|
Đường kính ống áp dụng (ØD)
|
6 mm
|
Đường kính ngoài tối đa (ØP)
|
9.3 mm
|
Chiều dài L
|
31 mm
|
Chiều dài E
|
16.1 mm
|
Đường kính ØC
|
4.8 mm
|
Chiều dài B
|
13 mm
|
Kích thước M1
|
19.4 mm
|
Kích thước M2
|
11.7 mm
|
Kích thước J
|
9.3 mm
|
ORIFICE
|
5.0
|
Trọng lượng (g)
|
2.6 g
|
Số lượng đóng gói (EA(BOX))
|
100
|
Chất lỏng áp dụng
|
KHÍ NÉN (AIR) và NƯỚC CÔNG NGHIỆP (Industrial water)
|
Phạm vi áp suất làm việc
|
0 ~ 290 PSI (0 ~ 20 Kgf/cm² / 0 ~ 2000 KPa)
|
Áp suất âm
|
-29.5 in Hg (-750 mmHg / -750 Torr)
|
Phạm vi nhiệt độ làm việc
|
-4°F ~ 176°F (-20 ~ 80°C)
|
Danh mục
|
M-ONE-TOUCH FITTINGS
|
3. Vật liệu và Cấu tạo của Đầu Nối Nhanh Khí Nén CDC MPY 06
Đầu nối nhanh CDC MPY 06 được cấu tạo từ các vật liệu chất lượng cao, đảm bảo độ bền và hiệu quả hoạt động. Các thành phần chính bao gồm:
- Vỏ (CASE), Cổ áo (COLLAR), Ống nhả (RELEASE SLEEVE): Bằng PA66 (Polyamide 66), vật liệu nhựa kỹ thuật có độ bền cao, khả năng chịu mài mòn và hóa chất tốt.
- Phớt (SEAL): Bằng NBR (Cao su Nitrile Butadiene), cung cấp khả năng làm kín vượt trội, chống rò rỉ khí hoặc nước hiệu quả.
- Vòng đệm lưng (BACK RING): Bằng POM (Polyoxymethylene), vật liệu nhựa kỹ thuật cứng cáp, chịu lực tốt.
- Kẹp giữ (LOCK CLAW): Bằng thép không gỉ (SUS), đảm bảo giữ chặt ống mà không làm hỏng bề mặt ống.

4. Ưu nhược điểm nổi bật của Đầu Nối Nhanh Khí Nén CDC MPY 06
Ưu điểm:
- Lắp đặt và tháo rời nhanh chóng: Cơ chế "một chạm" giúp việc kết nối và ngắt kết nối ống trở nên cực kỳ dễ dàng, không cần dụng cụ hỗ trợ.
- Thiết kế chữ Y: Lý tưởng cho các ứng dụng cần chia một luồng khí hoặc nước thành hai đường nhánh.
- Vật liệu bền bỉ: Được chế tạo từ PA66, SUS, NBR, POM, mang lại tuổi thọ lâu dài và khả năng chống ăn mòn.
- Phạm vi nhiệt độ và áp suất rộng: Hoạt động ổn định trong dải áp suất từ 0 ~ 290 PSI và nhiệt độ từ -20 ~ 80°C.
- Đa năng: Có thể sử dụng cho cả khí nén và nước công nghiệp.
Nhược điểm:
- Yêu cầu tư vấn kỹ thuật khi dùng cho nước: Mặc dù được chỉ định dùng cho nước công nghiệp, nhà sản xuất khuyến nghị liên hệ đội ngũ kỹ thuật khi ứng dụng với nước để đảm bảo hiệu suất tốt nhất.
- Không có tính năng tự ngắt dòng: Khác với dòng SPC, dòng MPY không tự động ngắt dòng khí/nước khi tháo ống. Điều này có thể yêu cầu phải ngắt nguồn trước khi tháo rời để tránh rò rỉ. (so sánh với SPC đã biết)
5. Hướng dẫn lắp đặt và sử dụng Đầu Nối Nhanh CDC MPY 06 hiệu quả
Lắp đặt:
- Chuẩn bị ống: Sử dụng dao cắt ống chuyên dụng để cắt ống khí nén phi 6mm vuông góc và loại bỏ mọi bavia. Đảm bảo bề mặt cắt nhẵn để đạt độ kín tối ưu.
- Kết nối ống: Đẩy mạnh và dứt khoát ống vào cổng nối nhanh cho đến khi ống chạm vào đáy và được kẹp chặt. Kiểm tra bằng cách kéo nhẹ ống để đảm bảo ống đã được giữ chắc chắn.
Sử dụng và Vận hành:
- Đảm bảo hệ thống hoạt động trong dải áp suất (0 ~ 290 PSI) và nhiệt độ (-20 ~ 80°C) cho phép của đầu nối.
- Để tháo ống, chỉ cần nhấn vòng nhả (release sleeve) vào sát thân đầu nối và đồng thời kéo ống ra.
- Kiểm tra định kỳ các mối nối để phát hiện sớm các dấu hiệu rò rỉ hoặc hư hỏng.
6. Ứng dụng thực tế của Đầu Nối Nhanh Khí Nén CDC MPY 06 trong công nghiệp
Đầu Nối Nhanh Khí Nén CDC MPY 06 là lựa chọn lý tưởng cho các ứng dụng cần chia nhánh đường ống trong các hệ thống khí nén và nước công nghiệp, bao gồm:
- Hệ thống tự động hóa nhà máy, dây chuyền sản xuất.
- Thiết bị và máy móc công nghiệp.
- Hệ thống rô-bốt.
- Ứng dụng trong ngành ô tô, điện tử.
- Hệ thống xử lý nước, làm mát.
- Các hệ thống đường ống phức tạp cần định tuyến linh hoạt.
7. So sánh Đầu Nối Nhanh CDC MPY với các dòng đầu nối khác
Dòng MPY (Union Y) của CDC là một phần của M-ONE-TOUCH FITTINGS, nổi bật với khả năng chia nhánh. Dưới đây là bảng so sánh để làm rõ sự khác biệt với các dòng đầu nối nhanh phổ biến khác của CDC:
Tính năng
|
Đầu Nối Nhanh MPY (Union Y)
|
Đầu Nối Nhanh SPC (Tự Ngắt)
|
Đầu Nối Nhanh MPC (Thẳng, ren ngoài)
|
Đầu Nối Nhanh MPUL (Cút góc 90°, 2 đầu ống)
|
Đầu Nối Nhanh MPUT (Chữ T, 3 đầu ống)
|
Đầu Nối Nhanh MPUC (Union Straight)
|
Đầu Nối Nhanh MPG (Giảm kích thước ống)
|
Chức năng chính
|
Nối ba ống dạng chữ Y
|
Tự động ngắt/khôi phục dòng khí khi tháo/lắp ống
|
Kết nối thẳng ống với cổng ren
|
Nối hai ống tại góc 90 độ
|
Chia nhánh 3 ống dạng chữ T
|
Nối thẳng hai ống cùng kích thước
|
Nối thẳng hai ống khác kích thước
|
Vật liệu chính
|
PA66, NBR, POM, SUS
|
Đồng thau, POM, SUS, NBR, ZINC
|
Đồng thau, PA66, SUS, NBR
|
PA66, SUS, NBR, POM
|
PA66, SUS, NBR, POM
|
PA66, SUS, NBR, POM
|
PA66, SUS, NBR, POM
|
Chất lỏng áp dụng
|
KHÍ NÉN, NƯỚC CÔNG NGHIỆP
|
KHÍ NÉN (AIR)
|
Khí nén, Nước công nghiệp
|
Khí nén, Nước công nghiệp
|
Khí nén, Nước công nghiệp
|
Khí nén, Nước công nghiệp
|
Khí nén, Nước công nghiệp
|
Khả năng tự ngắt dòng
|
Không
|
Có
|
Không
|
Không
|
Không
|
Không
|
Không
|
Ứng dụng chính
|
Chia nhánh đường ống (chữ Y)
|
Hệ thống cần thay đổi ống thường xuyên, thử nghiệm
|
Kết nối ống với cổng ren, hệ thống chung
|
Đổi hướng ống trong hệ thống
|
Chia luồng khí, kết nối đa điểm
|
Nối thẳng các đoạn ống
|
Thay đổi kích thước ống
|
8. FAQ - Câu hỏi thường gặp về Đầu Nối Nhanh Khí Nén CDC MPY 06
- "Đầu nối MPY 06 có dùng được cho ống khí nén phi 4mm hay 8mm không?"
- Không. Đầu nối MPY 06 được thiết kế để kết nối với ống có đường kính ngoài 6mm. Để sử dụng cho ống 4mm hoặc 8mm, bạn cần lựa chọn mã sản phẩm MPY04 hoặc MPY08 tương ứng.
- "Sản phẩm này có dùng được cho nước không?"
- Có. Đầu nối MPY 06 được chỉ định sử dụng cho cả khí nén và nước công nghiệp. Tuy nhiên, nhà sản xuất khuyến nghị liên hệ đội ngũ kỹ thuật của họ khi sử dụng trong ứng dụng nước để đảm bảo hiệu suất tốt nhất.
- "Làm thế nào để tháo ống ra khỏi đầu nối?"
- Để tháo ống, bạn chỉ cần dùng ngón tay nhấn vòng nhả (release sleeve) vào sát thân đầu nối và đồng thời kéo ống ra.
- "Đầu nối này có bền không?"
- Có. Đầu nối được chế tạo từ các vật liệu chất lượng cao như PA66, thép không gỉ (SUS), NBR và POM, đảm bảo độ bền và hiệu suất ổn định trong điều kiện làm việc tiêu chuẩn.
9. Kết luận
Đầu Nối Nhanh Khí Nén Chữ Y Phi 6mm CDC MPY 06 là một thành phần quan trọng trong việc xây dựng các hệ thống khí nén và nước công nghiệp phức tạp, yêu cầu chia nhánh. Với thiết kế nhỏ gọn, vật liệu bền bỉ và khả năng lắp đặt/tháo gỡ dễ dàng, MPY 06 mang lại sự tiện lợi và hiệu quả, giúp tối ưu hóa không gian và giảm thiểu thời gian bảo trì.
Cần giải pháp chia nhánh đường ống nhanh chóng và hiệu quả? Hãy chọn CDC MPY 06!
10. Mua đầu nối nhanh khí nén giá rẻ chính hãng ở đâu?
Ưu tiên mua tại website sàn thương mại điện tử Mecsu.vn
Để đảm bảo mua được Đầu Nối Nhanh Khí Nén CDC MPY 06 chính hãng, hãy đặt hàng tại Mecsu.vn.
- Sản phẩm chính hãng, chất lượng đảm bảo.
- Mua sắm online tiện lợi, nhanh chóng.
- Giao hàng tận nơi trên toàn quốc.
- Hỗ trợ tư vấn chuyên nghiệp.
Link sản phẩm tại Mecsu.vn: https://mecsu.vn/ca/364722
Hotline: 1800 8137
Email: sales@mecsu.vn
