Bulong Thép Đen 8.8 DIN933 M6x20 là loại bulong lục giác ren suốt, được làm từ thép cacbon có cấp bền 8.8 và phủ một lớp oxit đen. Đây là loại bulong cường độ cao, được sử dụng để tạo ra các mối liên kết vững chắc trong nhiều ứng dụng công nghiệp và xây dựng.
Đặc điểm nổi bật của loại bulong này là đầu lục giác giúp siết chặt dễ dàng, thân ren suốt theo tiêu chuẩn DIN 933, và lớp phủ oxit đen vừa tăng thẩm mỹ vừa có khả năng chống ăn mòn ở mức độ nhất định. Cấp bền 8.8 cho phép bulong chịu được tải trọng lớn, phù hợp cho các kết cấu yêu cầu độ bền cao.
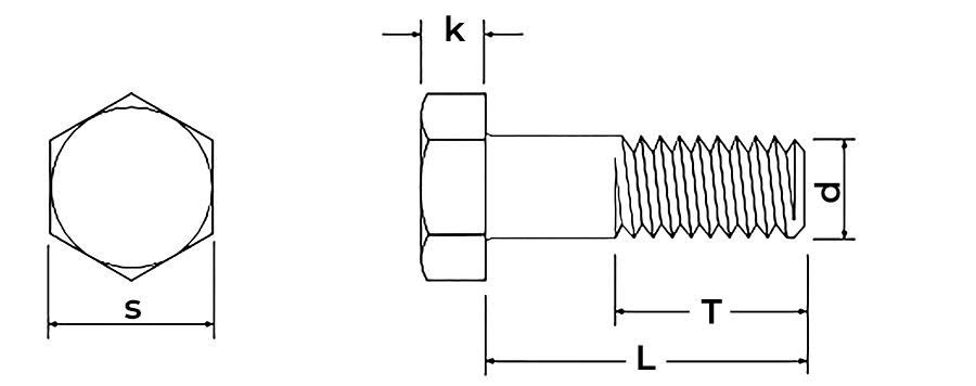
d: Đường kính ren
l: Chiều dài
k: Chiều cao đầu
s: Size khóa
Thông số | Giá trị |
---|---|
Mã đặt hàng | 0061286 |
Mã sản phẩm | B01M0601020TD10 |
Hệ kích thước | Met |
Loại sản phẩm | Bulong lục giác ren suốt |
Tiêu chuẩn | DIN 933 |
Size ren (d) | M6 |
Bước ren | 1 mm |
Chiều dài (l) | 20 mm |
Chiều cao đầu (k) | 4 mm |
Size khóa (s) | 10 mm |
Loại đầu | Lục giác |
Vật liệu | Thép carbon |
Cấp bền | 8.8 |
Bề mặt | Thép đen (nhúng dầu) |
Xuất xứ | Trung Quốc |
Bulong Thép Đen 8.8 M6x20 có cấu tạo đơn giản nhưng hiệu quả, bao gồm hai phần chính: đầu lục giác và thân bulong ren suốt.
Các con số được dập nổi trên đầu bulong 8.8 là ký hiệu cho cấp bền của bulong, biểu thị khả năng chịu lực của nó một cách chính xác và tiêu chuẩn.
Cường độ chịu lực của Bulong Thép Đen 8.8 M6x20 được xác định bởi cấp bền 8.8, với giới hạn bền kéo tối thiểu 800 MPa và giới hạn chảy tối thiểu 640 MPa.
Với cấp bền này, bulong có khả năng chịu tải trọng lớn, đặc biệt là tải kéo và tải cắt, đảm bảo độ bền và an toàn cho các liên kết trong máy móc và kết cấu. Đây là lý do bulong 8.8 được xem là giải pháp tin cậy cho các ứng dụng công nghiệp nặng.
Bulong Đen 8.8 được phân loại theo hai đặc điểm chính là hình dạng thân (ren suốt/ren lửng) và loại ren (ren thô/ren mịn), mỗi loại phù hợp với một ứng dụng cụ thể.
Bulong Thép Đen 8.8 mang lại nhiều ưu điểm về độ bền và chi phí, nhưng cũng có một số hạn chế về khả năng chống ăn mòn cần được cân nhắc kỹ lưỡng.
Bulong Thép Đen 8.8 M6x20 là một giải pháp liên kết đa năng, được ứng dụng rộng rãi trong các lĩnh vực yêu cầu khả năng chịu lực cao và độ bền vượt trội.
9. Bulong Thép Đen 8.8 có chịu được nhiệt độ cao không?
Bulong Thép Đen 8.8 có thể chịu được nhiệt độ cao, tuy nhiên, độ bền sẽ suy giảm đáng kể khi nhiệt độ vượt quá 300°C.
Khi nhiệt độ vượt quá giới hạn này, quá trình tôi luyện của thép có thể bị ảnh hưởng, làm giảm độ cứng và khả năng chịu tải của bulong. Đối với các ứng dụng yêu cầu làm việc trong môi trường nhiệt độ cao hơn, nên cân nhắc sử dụng các loại bulong chuyên dụng được làm từ vật liệu chịu nhiệt đặc biệt.
Việc lắp đặt và tháo gỡ đúng cách là rất quan trọng để đảm bảo an toàn, độ bền cho mối ghép và kéo dài tuổi thọ của bulong.
Để tránh mua phải bulong kém chất lượng, bạn nên chú ý một số dấu hiệu sau để phân biệt hàng thật và hàng giả.
Liên hệ để nhận báo giá tốt nhất (giá có thể thay đổi tùy thời điểm và số lượng).
MUA THÊM NHIỀU LOẠI BULONG CHÍNH HÃNG KHÁC TẠI MECSU
Bulong M6x20 là ký hiệu quy cách của bulong. Trong đó, "M6" chỉ đường kính danh nghĩa của ren là 6mm, và "20" chỉ chiều dài của thân bulong là 20mm.
Theo tiêu chuẩn DIN933, đường kính danh nghĩa của ren là M6, có nghĩa là đường kính ngoài của ren là 6mm. Đường kính thực tế của thân bulong sẽ hơi nhỏ hơn một chút để ren ăn khớp dễ dàng với đai ốc.
Đối với bulong DIN933, đây là loại ren suốt, do đó chiều dài phần ren thực tế bằng với chiều dài bulong (20mm) trừ đi một phần nhỏ ở đầu bulong không tiện ren.
Có. Bulong M6 có nhiều chiều dài khác nhau để phù hợp với các ứng dụng đa dạng, ví dụ như M6x10, M6x30, M6x40,...
Cấp bền 8.8 là chỉ số cơ học của bulong. Số "8" đầu tiên chỉ giới hạn bền kéo tối thiểu là 800 N/mm² (800 MPa). Số "8" thứ hai chỉ tỷ lệ giữa giới hạn chảy và giới hạn bền kéo, là 0.8. Giới hạn chảy tối thiểu của bulong 8.8 là 800 x 0.8 = 640 N/mm².
Bulong DIN933 là loại ren suốt, tức là ren được tiện trên toàn bộ chiều dài thân. Trong khi đó, bulong DIN931 là loại ren lửng, chỉ có ren ở một phần thân còn lại là phần thân trơn. DIN933 thường dùng cho các mối ghép cần lực siết đồng đều, còn DIN931 phù hợp cho các mối ghép chịu tải trọng cắt lớn.
Có. Với cấp bền 8.8, bulong có khả năng chịu được tải trọng lớn, đặc biệt là tải kéo và tải cắt, cao hơn nhiều so với bulong thông thường (cấp bền 4.8 hay 5.6).
Các sản phẩm bulong chính hãng, đạt chuẩn tại Mecsu đều có đầy đủ chứng nhận chất lượng (CQ) và nguồn gốc xuất xứ (CO) nếu khách hàng yêu cầu.
Bulong 8.8 được ứng dụng rộng rãi trong các ngành công nghiệp đòi hỏi độ bền cao như: chế tạo máy, lắp ráp động cơ, kết cấu thép, xây dựng cầu đường, và các hệ thống máy móc sản xuất.
Bulong thép đen 8.8 có khả năng chống ăn mòn ở mức cơ bản nhờ lớp oxit đen. Tuy nhiên, nó không phù hợp cho môi trường ngoài trời ẩm ướt hoặc hóa chất ăn mòn. Trong các môi trường đó, nên sử dụng bulong mạ kẽm nóng hoặc bulong inox để tăng độ bền.
Bulong thép đen 8.8 có độ bền cao hơn và giá thành rẻ hơn bulong inox. Tuy nhiên, bulong inox (ví dụ: A2-70, A4-70) lại có khả năng chống ăn mòn vượt trội, phù hợp cho môi trường ẩm ướt, hóa chất. Tùy thuộc vào yêu cầu của ứng dụng mà bạn nên lựa chọn loại bulong phù hợp.
Bulong thép đen là loại bulong được xử lý bề mặt bằng phương pháp nhuộm đen (black oxide) sau khi tôi luyện để đạt cấp bền. Nó không phải là bulong mạ kẽm. Bulong mạ kẽm sẽ có màu trắng hoặc vàng và được phủ một lớp kẽm bên ngoài để chống gỉ.
Có. Bulong cấp bền 8.8 có nhiều loại xử lý bề mặt khác nhau để tăng khả năng chống ăn mòn, bao gồm: mạ kẽm điện phân, mạ kẽm nhúng nóng, nhuộm đen và lớp phủ Dacromet. Tùy vào môi trường sử dụng mà lựa chọn loại bulong có bề mặt phù hợp.
Độ bền kéo tối thiểu (tensile strength) là 800 N/mm². Giới hạn chảy tối thiểu (yield strength) là 640 N/mm².
Giá bulong thường được tính theo cái hoặc theo kg, tùy vào số lượng và chính sách của nhà cung cấp. Bạn có thể liên hệ Mecsu để nhận báo giá chi tiết và tốt nhất cho từng đơn hàng cụ thể.
Mecsu cung cấp cả bán lẻ và bán sỉ, đáp ứng mọi nhu cầu từ khách hàng cá nhân đến các nhà máy sản xuất, công trình lớn.
Có. Mecsu là công ty cung cấp linh kiện công nghiệp, chúng tôi sẽ xuất hóa đơn VAT theo yêu cầu của khách hàng.
Thời gian giao hàng tùy thuộc vào địa chỉ của khách hàng và số lượng sản phẩm. Mecsu có chính sách giao hàng nhanh chóng, hỗ trợ giao hàng tận nơi trên toàn quốc.
Đai ốc và long đen thường được bán riêng. Tuy nhiên, để thuận tiện, Mecsu cung cấp đầy đủ các loại đai ốc M6 và long đen cùng cấp bền 8.8 để khách hàng mua kèm theo bulong.
Mecsu có cung cấp các bộ bulong hoàn chỉnh bao gồm bulong, đai ốc và long đen để khách hàng tiết kiệm thời gian và đảm bảo sự đồng bộ của mối ghép.
Ngoài M6x20, Mecsu cung cấp đầy đủ các loại bulong M6 với các chiều dài phổ biến khác như M6x10, M6x12, M6x16, M6x25, M6x30, M6x40,...
Nếu bạn có bất kỳ thắc mắc nào về bulong thép đen 8.8, hãy liên hệ với đội ngũ chuyên gia của Mecsu để được tư vấn và hỗ trợ. Chúng tôi luôn sẵn lòng giúp bạn tìm ra giải pháp tối ưu nhất cho ứng dụng của mình.
Địa chỉ: B28/I - B29/I Đường số 2B, KCN Vĩnh Lộc, P. Bình Hưng Hòa B, Q. Bình Tân, TP.HCM
Hotline: 1800 8137
Email: sales@mecsu.vn
Website: mecsu.vn
Bulong Thép Đen 8.8 đã được Mecsu cung cấp cho nhiều dự án của khách hàng tại TP.HCM và các khu công nghiệp lân cận, mang lại hiệu quả cao nhờ khả năng chịu lực tốt và độ bền vượt trội. Sản phẩm đã chứng minh được sự tin cậy trong các ứng dụng thực tế, từ lắp ráp máy móc nặng đến thi công kết cấu thép.
“Bulong Thép Đen 8.8 là lựa chọn hàng đầu cho các ứng dụng công nghiệp cần sự cân bằng giữa khả năng chịu tải và chi phí. Tuy nhiên, việc lựa chọn đúng loại bulong và siết đúng lực là yếu tố then chốt để đảm bảo hiệu suất tối ưu và độ an toàn của mối ghép.”
— Kỹ sư cơ khí Chuyên gia kỹ thuật Mecsu (TP. Hồ Chí Minh) - Với hơn 10 năm kinh nghiệm.
Nội dung bài viết này được biên soạn dựa trên các tài liệu kỹ thuật chính thức, đảm bảo tính chính xác và chuyên môn cao.
Biên soạn bởi: Đội ngũ Kỹ sư Mecsu
Với hơn 10 năm kinh nghiệm chuyên sâu, đội ngũ kỹ sư của Mecsu cam kết mang đến những thông tin hữu ích và chính xác nhất.
(Xem thêm thông tin về chúng tôi tại Website Mecsu)
Lưu ý: Hình ảnh sản phẩm có thể khác biệt so với thực tế tùy theo nhà sản xuất. Vui lòng tham khảo thông số kỹ thuật chi tiết hoặc liên hệ Mecsu để có thông tin chính xác nhất về sản phẩm.