Phân tích chuyên sâu Bulong Thép Đen Cường Độ Cao 8.8 DIN933 M10x35
Phân tích chuyên sâu Bulong Thép Đen Cường Độ Cao 8.8 DIN933 M10x35
Mục Lục
- 1. Bulong Thép Đen 8.8 DIN933 M10x35 là gì và có đặc điểm gì nổi bật?
- 2. Thông số kỹ thuật chi tiết của Bulong Thép Đen 8.8 M10x35
- 3. Cấu tạo của Bulong Thép Đen 8.8 M10x35 gồm những phần nào?
- 4. Ý nghĩa các con số trên đầu Bulong 8.8 là gì?
- 5. Cường độ chịu lực của Bulong Thép Đen 8.8 M10x35 là bao nhiêu?
- 6. Phân loại Bulong Đen 8.8 theo hình dạng và loại ren như thế nào?
- 7. Ưu và nhược điểm của Bulong Thép Đen 8.8 DIN933 M10x35 là gì?
- 8. Bulong Thép Đen 8.8 M10x35 được ứng dụng trong những lĩnh vực nào?
- 9. So sánh Bulong Thép Đen 8.8 M10x35 và M10x40
- 10. Hướng dẫn lắp đặt và tháo gỡ Bulong Thép Đen 8.8 đúng cách?
- 11. Làm thế nào để phân biệt Bulong Thép Đen 8.8 chính hãng với hàng giả?
- 12. Giá bán & gợi ý mua Bulong Thép Đen 8.8 DIN933 M10x35 chính hãng ở đâu?
- 13. FAQ về Bulong Thép Đen 8.8 DIN933 M10x35
- 14. Liên hệ và hỗ trợ tư vấn về Bulong Công Nghiệp
- 15. Thông Tin Bổ Sung & Kinh Nghiệm Thực Tế từ Mecsu
1. Bulong Thép Đen 8.8 DIN933 M10x35 là gì và có đặc điểm gì nổi bật?
Bulong Thép Đen 8.8 DIN933 M10x35 là loại bulong đầu lục giác cường độ cao, được sản xuất từ vật liệu thép carbon và tôi luyện để đạt cấp bền cơ học 8.8. Thiết kế của bulong tuân thủ tiêu chuẩn DIN 933, tức là ren suốt, với thân hình trụ tròn có ren M10 và chiều dài 35mm. Bulong được xử lý nhiệt nhằm tăng độ cứng bề mặt, sau đó nhúng dầu để tạo màu đen đặc trưng và bảo quản chống gỉ tạm thời.
Điểm nổi bật của bulong M10x35 là đường kính M10 kết hợp với chiều dài 35mm, làm cho nó trở thành lựa chọn lý tưởng cho các mối ghép cần lực siết mạnh mẽ, chịu tải cao trên các tấm vật liệu hoặc cụm chi tiết có độ dày tương đối lớn (khoảng 25-30mm). Bulong này thường được ưu tiên sử dụng trong môi trường có dầu mỡ hoặc khô ráo, tránh xa nước và hóa chất ăn mòn.
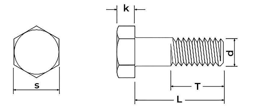
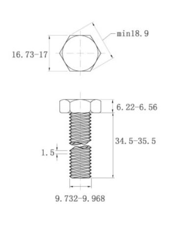
2. Thông số kỹ thuật chi tiết của Bulong Thép Đen 8.8 M10x35

d: Đường kính ren
l: Chiều dài
k: Chiều cao đầu
s: Size khóa
Thông số
|
Giá trị
|
Mã đặt hàng
|
0061111
|
MPN
|
B01M1001035TD10
|
Hệ kích thước
|
Met
|
Loại sản phẩm
|
Bulong lục giác ren suốt
|
Tiêu chuẩn
|
DIN 933
|
Size ren (d)
|
M10
|
Bước ren
|
1.5 mm
|
Chiều dài (l)
|
35 mm
|
Chiều cao đầu (k)
|
6.4 mm
|
Size khóa (s)
|
17 mm
|
Loại Đầu
|
Đầu Lục Giác
|
Vật liệu
|
Thép 8.8
|
Cấp bền
|
8.8
|
Phân bố Ren
|
Ren Suốt
|
Xuất xứ
|
Trung Quốc
|
3. Cấu tạo của Bulong Thép Đen 8.8 M10x35 gồm những phần nào?
Cấu tạo của Bulong Thép Đen M10x35 được thiết kế đơn giản nhưng tối ưu về mặt cơ học, bao gồm hai phần chính:
- Đầu bulong Lục giác: Đầu được tạo hình sáu cạnh, có chiều cao 6.4mm và kích thước khóa 17mm. Đây là phần chịu lực siết từ dụng cụ và cố định bulong vào vị trí. Đầu lục giác đảm bảo lực siết được truyền tải đều, tránh trượt.
- Thân bulong Ren suốt: Thân có đường kính danh nghĩa M10 và chiều dài 35mm, được tiện ren thô (bước ren 1.5mm) chạy dọc toàn bộ. Ren suốt (DIN 933) cho phép bulong dễ dàng ăn khớp với các chi tiết ren âm, phù hợp cho các mối ghép cần chiều dài ren sử dụng lớn.
4. Ý nghĩa các con số trên đầu Bulong 8.8 là gì?
Ký hiệu cấp bền 8.8 được dập nổi trên đầu bulong là chỉ số quan trọng, phản ánh khả năng chịu lực chính xác của sản phẩm theo tiêu chuẩn:
- Số 8 đầu tiên: Cho biết giới hạn bền kéo tối thiểu, đạt mức 800 MPa. Con số này xác định lực kéo lớn nhất mà bulong có thể chịu đựng được trước khi xảy ra đứt gãy.
- Số 8 thứ hai: Biểu thị tỷ lệ giữa giới hạn chảy và giới hạn bền kéo là 80% (0.8). Từ đó, giới hạn chảy của bulong là $800 \times 0.8 = 640 \, \text{MPa}$. Đây là lực tối đa mà bulong chịu được mà không bị biến dạng dẻo vĩnh viễn.
5. Cường độ chịu lực của Bulong Thép Đen 8.8 M10x35 là bao nhiêu?
Với cấp bền 8.8, Bulong Thép Đen M10x35 sở hữu cường độ chịu lực cao, đảm bảo độ an toàn cho các liên kết chịu tải:
- Giới hạn bền kéo tối thiểu ($R_m$): 800 MPa.
- Giới hạn chảy tối thiểu ($R_e$): 640 MPa.
Khả năng chịu lực kéo và cắt mạnh mẽ này, kết hợp với chiều dài 35mm, giúp bulong M10x35 duy trì liên kết ổn định ngay cả khi phải chịu tải trọng rung động hoặc thay đổi nhiệt độ trong phạm vi cho phép.
6. Phân loại Bulong Đen 8.8 theo hình dạng và loại ren như thế nào?
Bulong Đen 8.8 được phân loại dựa trên đặc điểm thân và loại ren, cho phép lựa chọn phù hợp với các điều kiện lắp ghép khác nhau.
Phân loại theo hình dạng thân:
- Ren suốt (DIN 933): Bulong M10x35 là loại ren suốt, ren chạy dọc toàn bộ thân. Loại này thường được dùng khi chiều dày vật liệu cần liên kết lớn và cần tận dụng tối đa chiều dài ren.
- Ren lửng (DIN 931): Chỉ có một phần thân được tiện ren. Phần thân trơn không ren được thiết kế để tăng cường khả năng chịu lực cắt trong mối ghép.
Phân loại theo loại ren:
- Ren thô: Có bước ren tiêu chuẩn (1.5mm cho M10), giúp việc lắp đặt và tháo gỡ diễn ra nhanh chóng, thích hợp cho các ứng dụng thông thường.
- Ren mịn (ren nhuyễn): Có bước ren nhỏ hơn, được sử dụng trong các môi trường rung động hoặc cần độ chính xác cao để chống tự tháo lỏng.
7. Ưu và nhược điểm của Bulong Thép Đen 8.8 DIN933 M10x35 là gì?
Bulong M10x35 là lựa chọn kinh tế cho các ứng dụng cường độ cao, nhưng có những hạn chế nhất định cần lưu tâm.
Ưu điểm:
- Chịu tải trọng lớn: Cấp bền 8.8 đảm bảo khả năng chịu kéo và cắt mạnh mẽ, rất phù hợp cho các kết cấu chịu tải quan trọng.
- Kích thước lý tưởng: Chiều dài 35mm phù hợp cho liên kết các cụm chi tiết có độ dày lớn, cho phép sử dụng đầy đủ đai ốc và long đen.
- Giá cả cạnh tranh: Chi phí thấp hơn nhiều so với bulong inox hoặc bulong thép cường độ cao có lớp mạ phức tạp hơn.
Nhược điểm:
- Dễ bị ăn mòn: Lớp phủ đen/nhúng dầu chỉ là biện pháp bảo quản tạm thời, bulong dễ bị gỉ sét nhanh chóng nếu tiếp xúc với môi trường ẩm ướt hoặc hóa chất.
- Yêu cầu kiểm soát môi trường: Bắt buộc phải sử dụng trong môi trường khô ráo, trong nhà hoặc các khu vực có dầu mỡ để bảo vệ vật liệu.
8. Bulong Thép Đen 8.8 M10x35 được ứng dụng trong những lĩnh vực nào?
Với cấp bền cao và chiều dài 35mm, Bulong M10x35 rất phù hợp cho các liên kết chịu lực trong môi trường ít bị ăn mòn và yêu cầu độ dày vật liệu lớn hơn:
- Liên kết các Tấm kim loại Dày: Dùng để kẹp chặt hai hoặc ba tấm kim loại (plate) có tổng chiều dày khoảng 25mm đến 30mm, cho phép còn lại đủ ren để vặn đai ốc và long đen.
- Lắp ráp Bộ phận Thiết bị Nâng hạ và Giàn giáo: Dùng trong các điểm nối của các thiết bị nâng nhỏ, hoặc các thành phần chịu tải trung bình trong hệ thống giàn giáo công nghiệp (chú trọng môi trường trong nhà/khô).
- Cố định Thiết bị Thủy lực/Khí nén: Lắp các mặt bích, van hoặc các cụm chi tiết trong hệ thống thủy lực/khí nén, nơi độ bền 8.8 là cần thiết để chịu áp lực và rung động.
- Công nghiệp Máy móc: Dùng trong các vị trí lắp ghép đòi hỏi độ chính xác cao và lực siết lớn bên trong các máy công cụ.
9. So sánh Bulong Thép Đen 8.8 M10x35 và M10x30
So sánh hai loại bulong có cùng cấp bền và đường kính (M10) nhưng khác nhau về chiều dài, giúp người mua xác định được kích thước phù hợp nhất cho độ dày vật liệu.
Đặc điểm
|
Bulong M10x35
|
Bulong M10x30 |
Đường kính ren
|
10 mm
|
10 mm
|
Bước ren
|
1.5 mm
|
1.5 mm
|
Chiều dài thân ren
|
35 mm
|
30 mm
|
Size khóa (Cờ lê)
|
17 mm
|
17 mm
|
Phạm vi sử dụng
|
Liên kết vật liệu dày khoảng 25 - 30 mm.
|
Liên kết vật liệu dày khoảng 20 - 25 mm.
|
Kết luận: Khả năng chịu lực cơ học của cả hai là tương đương nhau. Sự khác biệt nằm ở phạm vi sử dụng, trong đó M10x35 là lựa chọn tối ưu khi cần thêm chiều dài để liên kết các vật liệu dày hơn hoặc sử dụng thêm nhiều phụ kiện (long đen phẳng, long đen vênh) trong mối ghép.
10. Hướng dẫn lắp đặt và tháo gỡ Bulong Thép Đen 8.8 đúng cách?
Để đảm bảo hiệu suất chịu tải của bulong cường độ cao, việc lắp đặt phải tuân thủ nghiêm ngặt các quy tắc kỹ thuật.
Cách lắp đặt Bulong Thép Đen 8.8 M10x35:
- Dụng cụ: Sử dụng cờ lê hoặc dụng cụ siết lực có kích thước 17mm. Đảm bảo bề mặt liên kết sạch sẽ và không có dầu bẩn làm ảnh hưởng đến mô-men xoắn.
- Siết lực: Áp dụng mô-men xoắn tiêu chuẩn cho bulong M10 cấp bền 8.8. Siết chặt theo quy trình để tránh siết quá lực gây hỏng ren, đặc biệt với bulong ren suốt.
Tháo gỡ:
- Sử dụng công cụ chính xác: Dùng đúng dụng cụ để tháo bulong, tránh làm trầy xước hoặc hỏng đầu lục giác.
- Xử lý bulong kẹt: Nếu bulong bị kẹt do siết quá chặt hoặc gỉ sét nhẹ, nên dùng chất làm lỏng ren chuyên dụng trước khi tháo.
11. Làm thế nào để phân biệt Bulong Thép Đen 8.8 chính hãng với hàng giả?
Nhận biết bulong chất lượng kém là điều cần thiết để bảo vệ tính toàn vẹn của kết cấu công trình:
- Dấu hiệu nhận biết hàng chính hãng:
- Ký hiệu "8.8" được dập trên đầu bulong phải sắc nét, rõ ràng, không bị mờ hay lẹm.
- Độ chính xác của ren cao, không có ba-via thừa, bề mặt được xử lý đen đồng đều.
- Có đầy đủ chứng chỉ chất lượng (CQ) và xuất xứ (CO) đi kèm.
- Dấu hiệu nhận biết hàng kém chất lượng:
- Giá thành rất thấp so với mặt bằng chung thị trường.
- Dễ bị biến dạng, cong hoặc gãy bulong khi siết với mô-men xoắn chưa đạt tiêu chuẩn.
- Bề mặt thô ráp, có dấu hiệu gỉ sét hoặc màu đen không đồng đều.
12. Giá bán & gợi ý mua Bulong Thép Đen 8.8 DIN933 M10x35 chính hãng ở đâu?
a. Giá Bulong Thép Đen 8.8 DIN933 M10x35 tại Mecsu: 1,105 đ / Cái (đã có VAT)
Mức giá này có thể thay đổi dựa trên số lượng đặt hàng và các yếu tố thị trường. Vui lòng liên hệ để có được báo giá ưu đãi và chiết khấu cho đơn hàng lớn.
b. Gợi ý mua bulong chính hãng uy tín
- Nghiên cứu nhà cung cấp: Chỉ mua tại các công ty chuyên phân phối vật tư công nghiệp có uy tín, cam kết chất lượng sản phẩm.
- Mua tại Mecsu: Mecsu là địa chỉ tin cậy cung cấp Bulong Thép Đen M10x35 cấp bền 8.8 chính hãng, đảm bảo tuân thủ tiêu chuẩn DIN và kèm theo các chứng chỉ kiểm định chất lượng cần thiết.
MUA THÊM NHIỀU LOẠI BULONG CHÍNH HÃNG KHÁC TẠI MECSU
13. FAQ về Bulong Thép Đen 8.8 DIN933 M10x35
13.1. Về Kích thước và Độ bền cơ học
Chiều dài 35mm có đảm bảo là ren suốt không?
Theo tiêu chuẩn DIN 933, bulong là ren suốt. Tuy nhiên, đối với một số nhà sản xuất, với các chiều dài lớn hơn, họ có thể sản xuất ren lửng theo tiêu chuẩn DIN 931. Khách hàng nên xác nhận với nhà cung cấp. Với 35mm, phần lớn các sản phẩm trên thị trường vẫn là ren suốt.
Độ dài 35mm có dễ bị cong/biến dạng khi siết không?
Do bulong có đường kính M10 và cấp bền 8.8, độ cứng vững của nó là rất cao. Bulong chỉ bị cong hoặc biến dạng nếu mô-men xoắn vượt quá giới hạn cho phép hoặc bị siết lệch tâm. Cần đảm bảo siết bằng dụng cụ tiêu chuẩn và tuân thủ lực siết.
Nếu dùng 2 long đen và 1 đai ốc, phần ren còn lại có đủ để siết chặt không?
Bulong M10x35 được thiết kế để liên kết các chi tiết có tổng chiều dày khoảng 25-30mm (tính cả đai ốc và long đen). Với 2 long đen và 1 đai ốc, phần ren còn lại thường là đủ để đảm bảo liên kết chặt chẽ và an toàn.
13.2. Về Khả năng Thay thế và Giá thành
Bulong M10x35 có thay thế được cho M10x30 khi liên kết bị thiếu 5mm ren không?
Hoàn toàn có thể. M10x35 là loại bulong dài hơn M10x30 5mm, và nó thường được dùng để thay thế khi mối ghép cần thêm chiều dài. Việc bulong hơi dài hơn một chút thường không ảnh hưởng đến khả năng chịu lực, miễn là đai ốc vẫn được siết chặt hoàn toàn.
Tại sao bulong đen (nhuộm dầu) lại rẻ hơn bulong mạ kẽm cùng kích thước?
Bulong đen (thường là nhuộm oxit đen hoặc nhúng dầu) có chi phí gia công bề mặt thấp hơn nhiều so với quá trình mạ kẽm điện phân hay mạ kẽm nhúng nóng. Quá trình mạ kẽm thêm vào một lớp bảo vệ kim loại, làm tăng chi phí sản xuất, nhưng đổi lại là khả năng chống ăn mòn vượt trội.
Khi nào nên dùng bulong Thép Đen 8.8 thay vì bulong Inox 304?
Nên dùng Thép Đen 8.8 khi cần cường độ chịu lực kéo và chịu tải cao (800 MPa). Bulong Inox 304 chỉ có cấp bền khoảng 5.8 (chịu lực thấp hơn) nhưng lại có khả năng chống ăn mòn tuyệt vời. Lựa chọn phụ thuộc vào yêu cầu chịu lực và môi trường sử dụng.
14. Liên hệ và hỗ trợ tư vấn về Bulong Công Nghiệp
Nếu bạn cần thêm thông tin chi tiết hoặc hỗ trợ kỹ thuật về Bulong Thép Đen 8.8 M10x35, đội ngũ chuyên gia của Mecsu luôn sẵn lòng giải đáp mọi thắc mắc để bạn có được lựa chọn tối ưu nhất.
Địa chỉ: B28/I - B29/I Đường số 2B, KCN Vĩnh Lộc, P. Bình Hưng Hòa B, Q. Bình Tân, TP.HCM
Hotline: 1800 8137
Email: sales@mecsu.vn
Website: mecsu.vn
15. Thông Tin Bổ Sung & Kinh Nghiệm Thực Tế từ Mecsu
a. Kinh Nghiệm Thực Tế & Câu Chuyện Thành Công
Bulong M10x35 cấp bền 8.8 là mặt hàng được sử dụng thường xuyên trong các ngành công nghiệp lắp ráp thiết bị điện tử công suất lớn và tủ bảng điện. Với chiều dài này, nó giúp các kỹ sư dễ dàng cố định nhiều lớp vật liệu hoặc các chi tiết dày mà vẫn đảm bảo lực siết mạnh mẽ và ổn định, đặc biệt trong các vị trí chịu rung động nhiệt.
b. Trích Dẫn Chuyên Gia
“M10x35 là bulong lý tưởng cho các mối ghép phức tạp hơn. Để tối đa hóa hiệu suất của cấp bền 8.8, chúng tôi luôn khuyên khách hàng sử dụng thêm long đen phẳng và long đen vênh M10. Long đen phẳng giúp phân bổ lực siết, còn long đen vênh giúp chống tự tháo lỏng hiệu quả hơn dưới tác động của rung động.”
— Kỹ sư cơ khí Chuyên gia kỹ thuật Mecsu (TP. Hồ Chí Minh) - Với hơn 10 năm kinh nghiệm.
c. Tài Liệu Tham Khảo và Nghiên Cứu
Nội dung bài viết này được xây dựng dựa trên các tiêu chuẩn kỹ thuật quốc tế và kinh nghiệm thực tiễn trong ngành vật tư công nghiệp.
- DIN Standard Catalog (Tiêu chuẩn DIN chính thức).
- Tài liệu kỹ thuật về cấp bền bulong và quy tắc lắp ghép.
- Trải nghiệm thực tế từ các dự án khách hàng của Mecsu.
Biên soạn bởi: Đội ngũ Kỹ sư Mecsu
Với hơn 10 năm kinh nghiệm chuyên sâu, đội ngũ kỹ sư của Mecsu cam kết mang đến những thông tin hữu ích và chính xác nhất.
(Xem thêm thông tin về chúng tôi tại Website Mecsu)
Lưu ý: Hình ảnh sản phẩm có thể khác biệt so với thực tế tùy theo nhà sản xuất. Vui lòng tham khảo thông số kỹ thuật chi tiết hoặc liên hệ Mecsu để có thông tin chính xác nhất về sản phẩm.