Tán Dài (3)
Lông Đền Cầu (5)
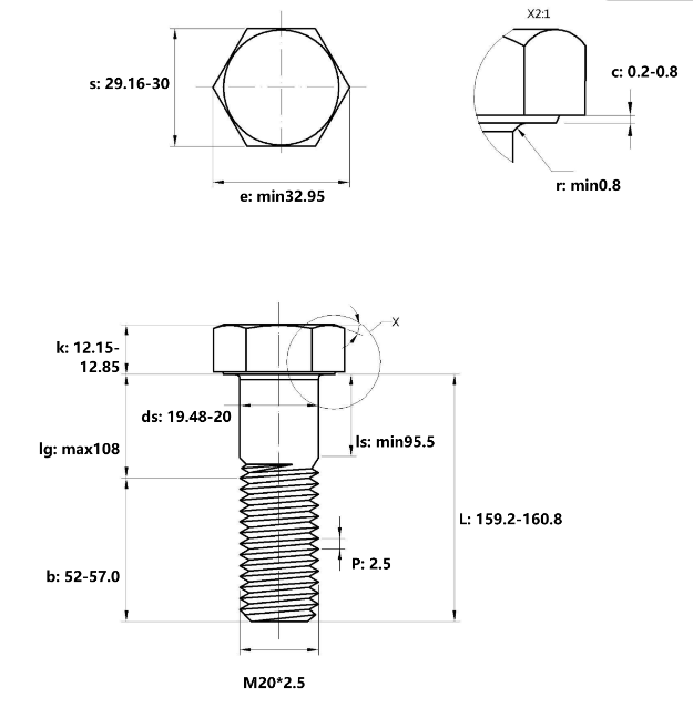
Bulong Nhúng Nóng 8.8 DIN931 M20x160 Ren Lửng (Hex Bolts) còn gọi là vít lục giác nhúng nóng kẽm, là một sản phẩm cơ khí được sử dụng để lắp ráp, ghép nối các chi tiết lại thành một khối, là chi tiết kẹp chặt. Bulong mạ kẽm nhúng nóng được xử lý từ bulong cấp bền 8.8 hoặc 10.9 sau đó được tẩy rửa bề mặt rồi đưa qua bể chứa kẽm nóng. Chúng có màu đục, bề mặt sần sùi chứ không đẹp như bề mặt của bulong mạ kẽm điện phân 8.8, 10.9. Thường được sử dụng rộng rãi trong các máy móc, các công trình xây dựng...
