Tán Dài (3)
Lông Đền Cầu (5)
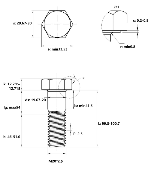
Bulong Mạ Kẽm Trắng Cr3+ 8.8 DIN931 M20x100 Ren Lửng (Hex Bolts) là bulong có đầu được tạo hình lục giác đều, có dạng hình thanh trụ tròn có ren, được thiết kế sao cho phù hợp với đai ốc hoặc chi tiết có ren âm và có thể dễ dàng tháo lắp hay hiệu chỉnh khi cần thiết. Được chế tạo theo tiêu chuẩn DIN 933, DIN 931, DIN 960, DIN 961 từ thép Carbon có cấp bền 8.8. Bề mặt xi mạ kẽm Cr3+ cho khả năng chống gỉ sét cao, test phun muối vượt qua 72 giờ. Chúng được sử dụng trong lắp ráp và ghép nối các chi tiết lại thành một khối hợp nhất, thường ứng dụng trong các chi tiết máy hoặc công trình xây dựng...
