Thông tin CHUYÊN SÂU về Phe Gài Lỗ Inox 420 DIN472 D102x4.0
Mục Lục
- 1. Phe Gài Lỗ Inox 420 DIN472 D102x4.0 Là Gì? – Giải Thích Chuyên Sâu
- 2. Thông Số Kỹ Thuật Chi Tiết của Phe Gài Lỗ Inox 420 DIN472
- 3. Cấu Tạo Chi Tiết Phe Gài Lỗ Inox 420 DIN472
- 4. Phân Tích Chuyên Sâu: Vật Liệu Inox 420 và Tiêu Chuẩn DIN 472
- 5. Ưu và Nhược Điểm của Phe Gài Lỗ Inox 420
- 6. Ứng Dụng Thực Tế của Phe Gài Lỗ Inox 420
- 7. Hướng Dẫn Lắp Đặt và Tháo Gỡ Phe Gài Lỗ
- 8. So Sánh Phe Gài Lỗ Inox 420 với các loại Phe Gài khác
- 9. Cách Phân Biệt Phe Gài Lỗ Inox 420 Thật - Giả – Lời Khuyên Từ Chuyên Gia Mecsu
- a. Dấu hiệu của Phe Gài Inox 420 chính hãng
- b. Dấu hiệu của Phe Gài Inox 420 hàng giả/nhái
- 10. Giá Bán & Gợi Ý Mua Phe Gài Lỗ Inox 420 Chính Hãng Tại TP.HCM
- 11. FAQ về Phe Gài Lỗ Inox 420
- 12. Liên Hệ và Hỗ Trợ Tư Vấn Mua Phe Gài
- 13. Thông Tin Bổ Sung & Kinh Nghiệm Thực Tế Từ Mecsu
1. Phe Gài Lỗ Inox 420 DIN472 D102x4.0 Là Gì? – Giải Thích Chuyên Sâu
Phe gài lỗ Inox 420 DIN472 D102x4.0 là một chi tiết cơ khí quan trọng, được thiết kế để định vị và giữ các bộ phận trong một lỗ khoan. Mã "DIN 472" là ký hiệu tiêu chuẩn kỹ thuật quốc tế, quy định kích thước và đặc tính của phe gài lỗ. Kích thước "D102x4.0" chỉ ra rằng sản phẩm này được sử dụng cho lỗ có đường kính 102 mm, với độ dày là 4 mm. Vật liệu "Inox 420" là điểm nhấn quan trọng, chỉ ra rằng phe gài được làm từ thép không gỉ loại 420, một loại thép không gỉ martensitic có khả năng chịu mài mòn và độ cứng cao sau khi xử lý nhiệt.
Phe gài lỗ được lắp vào rãnh đã gia công sẵn trên lỗ khoan. Nhờ tính đàn hồi của vật liệu, nó sẽ bám chặt vào thành rãnh, tạo ra một rào cản chắc chắn để ngăn các chi tiết bên trong dịch chuyển hoặc rơi ra ngoài dưới tác dụng của lực hướng trục. Sản phẩm này lý tưởng cho các ứng dụng đòi hỏi sự ổn định và độ bền cao trong không gian hạn chế.
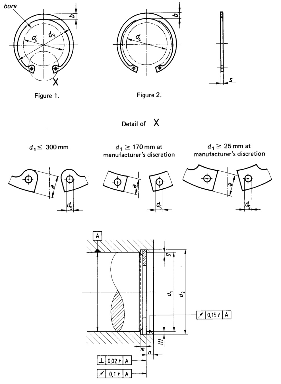
2. Thông Số Kỹ Thuật Chi Tiết của Phe Gài Lỗ Inox 420 DIN472
d1: Dùng cho lỗ
a: Bề rộng rãnh sử dụng
d3: Đường kính rãnh sử dụng
d2: Đường kính ngoài
s: Độ dày
| Thông số
|
Giá trị
|
| Mã sản phẩm
|
Phe Gài Lỗ D102x4.0
|
| Loại sản phẩm
|
Phe Gài Lỗ (Internal Circlip)
|
| Dùng cho lỗ (d1)
|
102 mm
|
| Bề rộng rãnh sử dụng (a)
|
4.15 mm
|
| Đường kính rãnh sử dụng (d3)
|
106 mm
|
| Đường kính ngoài (d2)
|
108 mm
|
| Độ dày (s)
|
4 mm
|
| Tiêu chuẩn
|
DIN 472
|
| Vật liệu
|
Inox 420 (Stainless Steel 420)
|
| Thương hiệu
|
MS-PRO
|
| Mã eClass
|
23-05-08-01
|
| Mã UNSPSC
|
31171504
|
3. Cấu Tạo Chi Tiết Phe Gài Lỗ Inox 420 DIN472
Phe gài Inox 420 được cấu thành từ một vòng tròn hở, với hai đầu được uốn cong vào trong để tạo thành hai lỗ nhỏ. Các bộ phận chính đóng vai trò quan trọng trong việc đảm bảo hiệu suất hoạt động và độ bền:
Sơ đồ cấu tạo Phe Gài Lỗ Inox 420:
- Vòng phe: Được chế tạo từ thép không gỉ Inox 420, có độ đàn hồi và độ cứng cao để chịu lực gài.
- Đầu uốn: Hai đầu của vòng phe được uốn cong vào trong, tạo thành các lỗ nhỏ để sử dụng kìm phe gài trong quá trình lắp đặt và tháo gỡ.
- Khe hở: Khoảng hở giữa hai đầu phe cho phép phe co lại khi bị ép, giúp dễ dàng gài vào rãnh.
4. Phân Tích Chuyên Sâu: Vật Liệu Inox 420 và Tiêu Chuẩn DIN 472
Để thực sự hiểu giá trị của Phe Gài Lỗ Inox 420, việc phân tích sâu hơn về hai yếu tố then chốt: “vật liệu Inox 420” và “tiêu chuẩn DIN 472” là rất quan trọng.
Vật liệu "Inox 420" - Thép không gỉ có độ cứng cao:
- Chức năng chính: Inox 420 là loại thép không gỉ martensitic, được sử dụng phổ biến trong sản xuất các chi tiết cần độ cứng và khả năng chịu mài mòn cao.
- Đặc điểm nổi bật: Có khả năng đạt độ cứng cao sau khi tôi và ram, giúp phe gài giữ được hình dạng và khả năng đàn hồi tốt, không bị biến dạng dưới tác động của tải trọng.
- Ưu điểm vượt trội: Nhờ độ cứng cao, phe gài lỗ Inox 420 có thể chịu được lực tác động mạnh từ các bộ phận cần định vị. Khả năng chống ăn mòn của nó cũng tốt hơn so với thép carbon thông thường, phù hợp với môi trường làm việc không quá khắc nghiệt.
- Hạn chế: Khả năng chống ăn mòn của Inox 420 kém hơn so với các loại Inox austenitic như 304 hay 316, đặc biệt trong môi trường chứa axit hoặc muối.
Tiêu chuẩn "DIN 472":
- Ý nghĩa: "DIN 472" là tiêu chuẩn kỹ thuật của Đức, quy định các thông số kỹ thuật, kích thước và dung sai cho các loại phe gài lỗ.
- Tầm quan trọng: Việc sản xuất theo tiêu chuẩn DIN 472 đảm bảo tính đồng nhất và khả năng tương thích của phe gài với các chi tiết cơ khí khác. Điều này giúp các nhà thiết kế và kỹ sư dễ dàng lựa chọn và thay thế sản phẩm.
- Lựa chọn phù hợp: Tiêu chuẩn này đảm bảo phe gài D102x4.0 có đường kính, độ dày và các thông số khác chính xác, giúp phe gài bám chắc vào rãnh, đảm bảo chức năng định vị và chịu tải một cách hiệu quả.
Sự kết hợp giữa vật liệu Inox 420 và tiêu chuẩn DIN 472 giúp Phe Gài Lỗ Inox 420 trở thành một giải pháp đáng tin cậy cho các ứng dụng cần định vị chắc chắn, bền bỉ và có khả năng chống mài mòn.
5. Ưu và Nhược Điểm của Phe Gài Lỗ Inox 420
Phe Gài Lỗ Inox 420 được tin dùng rộng rãi nhờ hiệu suất và độ bền vượt trội. Tuy nhiên, việc lựa chọn tối ưu đòi hỏi phải hiểu rõ cả ưu điểm lẫn nhược điểm của nó.
Ưu điểm nổi bật:
- Độ cứng và độ bền cao: Vật liệu Inox 420 sau xử lý nhiệt có độ cứng vượt trội, giúp phe gài chịu được tải trọng và va đập tốt, không bị biến dạng.
- Khả năng chống mài mòn: Inox 420 có hàm lượng carbon cao, mang lại khả năng chống mài mòn hiệu quả, kéo dài tuổi thọ sản phẩm.
- Chống gỉ sét vừa phải: Khả năng chống ăn mòn của Inox 420 giúp sản phẩm hoạt động tốt trong môi trường khô ráo, ít tiếp xúc với hóa chất.
- Thiết kế tiêu chuẩn DIN 472: Đảm bảo tính chính xác và khả năng lắp lẫn cao, phù hợp với các rãnh tiêu chuẩn trên máy móc.
- Yêu cầu bảo trì thấp: Phe gài lỗ không cần bảo trì định kỳ, giúp tiết kiệm chi phí vận hành.
Nhược điểm cần lưu ý:
- Khả năng chống ăn mòn hạn chế: So với các loại Inox cao cấp hơn như 304 hoặc 316, Inox 420 kém bền hơn trong môi trường có độ ẩm cao, hóa chất hoặc nước biển.
- Dễ bị nhiễm từ: Là loại thép không gỉ martensitic, Inox 420 có tính chất từ, điều này cần được xem xét trong các ứng dụng nhạy cảm với từ trường.
- Giá thành: Có thể cao hơn so với phe gài bằng thép carbon thông thường, nhưng đây là sự đầu tư xứng đáng cho độ bền và hiệu suất dài hạn.
6. Ứng Dụng Thực Tế của Phe Gài Lỗ Inox 420
Với kích thước tiêu chuẩn và đặc tính vật liệu ưu việt, Phe Gài Lỗ Inox 420 được ứng dụng rộng rãi trong nhiều lĩnh vực công nghiệp và dân dụng tại TP. Hồ Chí Minh và các khu công nghiệp lân cận, đặc biệt là những nơi yêu cầu độ chính xác và độ bền cao:
- Chế tạo máy công cụ, máy gia công: Dùng để định vị các bộ phận trong trục, hộp số, và các cơ cấu truyền động.
- Công nghiệp ô tô, xe máy: Lắp trong các hệ thống truyền động, trục khuỷu, hộp số để cố định các chi tiết.
- Máy móc nông nghiệp và xây dựng: Đảm bảo các bộ phận được giữ chắc chắn trong các thiết bị hoạt động trong môi trường khắc nghiệt.
- Thiết bị điện, điện tử: Dùng để cố định các chi tiết trong motor điện, quạt công nghiệp.
- Các hệ thống truyền động, hộp số: Đảm bảo truyền động hiệu quả và giảm thiểu tổn thất năng lượng.
7. Hướng Dẫn Lắp Đặt và Tháo Gỡ Phe Gài Lỗ
Để đảm bảo tuổi thọ và hiệu suất tối ưu cho Phe Gài Lỗ Inox 420, việc lắp đặt và tháo gỡ đúng cách là vô cùng quan trọng. Luôn tuân thủ các nguyên tắc an toàn và kỹ thuật. Mecsu cung cấp hướng dẫn chi tiết dựa trên kinh nghiệm thực tế:
- Chuẩn bị: Đảm bảo môi trường làm việc sạch sẽ, khô ráo. Chuẩn bị kìm phe gài lỗ chuyên dụng có kích thước phù hợp với phe gài. Luôn đeo găng tay bảo hộ và kính bảo hộ để đảm bảo an toàn. Kiểm tra rãnh trên lỗ phải sạch sẽ, không có ba via, rỉ sét và đảm bảo đúng dung sai.
- Lắp đặt:
- Sử dụng kìm phe gài lỗ chuyên dụng, bóp hai đầu phe lại để phe co nhỏ lại.
- Cẩn thận đưa phe gài vào lỗ và trượt từ từ đến rãnh.
- Thả tay từ từ để phe gài bung ra và bám chặt vào rãnh. Đảm bảo phe gài đã nằm hoàn toàn trong rãnh.
- Tuyệt đối tránh dùng lực quá mạnh hoặc dùng các dụng cụ không chuyên dụng có thể làm biến dạng phe gài hoặc gây hỏng rãnh.
- Tháo gỡ:
- Sử dụng kìm phe gài lỗ chuyên dụng, bóp hai đầu phe lại để phe co nhỏ.
- Cẩn thận kéo phe gài ra khỏi rãnh.
- Tránh dùng tua vít hoặc các vật nhọn khác để cạy phe gài, vì có thể làm hỏng phe, rãnh hoặc gây nguy hiểm.
- Bảo quản: Nếu không sử dụng ngay, hãy giữ phe gài trong bao bì gốc, ở nơi khô ráo, thoáng mát, tránh ánh nắng trực tiếp và các hóa chất ăn mòn để ngăn ngừa rỉ sét.
8. So Sánh Phe Gài Lỗ Inox 420 với các loại Phe Gài khác
Việc hiểu rõ sự khác biệt giữa các loại phe gài sẽ giúp bạn lựa chọn sản phẩm phù hợp nhất cho ứng dụng của mình, tối ưu hóa hiệu suất và chi phí đầu tư:
| Tiêu chí
|
Phe Gài Lỗ Inox 420
|
Phe Gài Lỗ Inox 304
|
Phe Gài Lỗ Thép Carbon
|
| Vật liệu
|
Inox 420
|
Inox 304
|
Thép Carbon
|
| Khả năng chống ăn mòn
|
Trung bình (tốt hơn thép carbon)
|
Rất tốt
|
Kém (dễ bị rỉ sét)
|
| Độ cứng và chịu tải
|
Rất tốt (do có thể xử lý nhiệt)
|
Tốt (không thể xử lý nhiệt để tăng độ cứng đáng kể)
|
Tốt
|
| Môi trường sử dụng
|
Môi trường khô ráo, cần độ cứng cao, chống mài mòn.
|
Môi trường ẩm ướt, hóa chất, cần chống ăn mòn.
|
Môi trường khô ráo, ít yêu cầu về chống ăn mòn.
|
| Độ đàn hồi
|
Tốt
|
Tốt
|
Tốt
|
| Giá thành
|
Cao hơn thép carbon
|
Cao nhất
|
Thấp nhất
|
| Ứng dụng điển hình
|
Máy công cụ, hộp số, nơi cần độ cứng cao.
|
Máy móc thực phẩm, y tế, hàng hải.
|
Máy móc thông thường, ít tiếp xúc với nước.
|
9. Cách Phân Biệt Phe Gài Lỗ Inox 420 Thật - Giả – Lời Khuyên Từ Chuyên Gia Mecsu
Thị trường hiện nay có rất nhiều hàng giả, hàng nhái kém chất lượng. Để đảm bảo bạn mua được Phe Gài Lỗ Inox 420 chính hãng tại TP.HCM, Mecsu khuyến nghị kiểm tra các dấu hiệu sau:
a. Dấu hiệu của Phe Gài Lỗ Inox 420 chính hãng:
- Bao bì chất lượng cao: Sắc nét, thông tin sản phẩm rõ ràng, đầy đủ mã sản phẩm, thương hiệu (MS-PRO) và thông tin xuất xứ.
- Hoàn thiện sản phẩm tinh xảo: Bề mặt phe gài nhẵn, không có ba via, không có dấu hiệu rỉ sét, các góc cạnh được bo tròn. Phe có độ đàn hồi tốt, không bị giòn.
- Kích thước chính xác: Các thông số như đường kính, độ dày, bề rộng rãnh sử dụng phải chính xác theo tiêu chuẩn DIN 472.
- Chứng từ đầy đủ: Nhà cung cấp uy tín sẽ cung cấp đầy đủ chứng nhận chất lượng (CQ), đảm bảo nguồn gốc và chất lượng sản phẩm.
b. Dấu hiệu của Phe Gài Lỗ Inox 420 hàng giả/nhái:
- Hoàn thiện kém: Bề mặt thô ráp, có ba via, có dấu hiệu rỉ sét, hoặc bị biến dạng.
- Độ đàn hồi kém: Phe gài bị mềm, dễ biến dạng hoặc quá giòn, dễ gãy.
- Kích thước sai lệch: Các thông số không chính xác, gây khó khăn khi lắp đặt và không đảm bảo khả năng định vị.
- Giá bán rẻ bất thường: Mức giá quá thấp so với thị trường là dấu hiệu cảnh báo lớn nhất.
Lời khuyên từ Mecsu: Để tránh rủi ro mua phải hàng giả, kém chất lượng, bạn nên luôn chọn mua phe gài từ các nhà phân phối uy tín có chứng nhận rõ ràng. Mecsu cam kết cung cấp sản phẩm chính hãng 100%.
10. Giá Bán & Gợi Ý Mua Phe Gài Lỗ Inox 420 Chính Hãng Tại TP.HCM
a. Giá Phe Gài Lỗ Inox 420 (TP.Hồ Chí Minh) tại Mecsu: Giá: 61,666 đ / Cái - Liên hệ để có giá tốt nhất
Liên hệ để nhận báo giá tốt nhất (giá có thể thay đổi tùy thời điểm và số lượng) - mức giá hợp lý, phù hợp với chất lượng sản phẩm chính hãng MS-PRO tại thị trường phụ tùng cơ khí TP.HCM.
b. Gợi ý mua phe gài chính hãng MS-PRO uy tín
- Chọn nhà cung cấp uy tín tại TP.HCM: Ưu tiên đối tác có chứng nhận từ nhà sản xuất hoặc đơn vị lâu năm, được nhiều khách hàng tin tưởng và có danh tiếng trên thị trường cung cấp linh kiện cơ khí tại TP.HCM.
- Kiểm tra chứng từ đầy đủ: Luôn yêu cầu đầy đủ chứng nhận chất lượng (CQ) để đảm bảo nguồn gốc và chất lượng sản phẩm.
- Mua tại Mecsu – Nhà phân phối uy tín tại Việt Nam: Mecsu tự hào là nhà phân phối các sản phẩm MS-PRO chính hãng tại Việt Nam, cam kết cung cấp Phe Gài Lỗ Inox 420 chính hãng và các loại phe gài khác với nhiều lợi ích vượt trội:
- 100% sản phẩm chính hãng: Đảm bảo nguồn gốc rõ ràng, đầy đủ chứng từ. Chúng tôi cam kết hoàn tiền 100% hoặc đổi trả nếu sản phẩm không phải chính hãng.
- Chính sách bảo hành minh bạch: Hỗ trợ đổi trả nếu có lỗi từ nhà sản xuất, mang lại sự an tâm tuyệt đối cho khách hàng.
- Hỗ trợ kỹ thuật chuyên sâu: Đội ngũ kỹ sư giàu kinh nghiệm sẵn sàng hỗ trợ bạn về kỹ thuật và lựa chọn sản phẩm phù hợp nhất cho mọi ứng dụng.
- Giá cả cạnh tranh: Đảm bảo mức giá tốt nhất đi kèm chất lượng, với chính sách chiết khấu hấp dẫn cho đơn hàng số lượng lớn, đặc biệt khi mua số lượng lớn.
MUA THÊM NHIỀU LOẠI PHE GÀI CHÍNH HÃNG KHÁC TẠI MECSU
11. FAQ về Phe Gài Lỗ Inox 420
a. Phe gài lỗ Inox 420 có cần bảo dưỡng không?
Phe Gài Lỗ Inox 420 thường không cần bảo dưỡng định kỳ. Tuy nhiên, nếu sử dụng trong môi trường bụi bẩn hoặc ăn mòn, bạn nên kiểm tra định kỳ để đảm bảo phe không bị rỉ sét hoặc biến dạng, gây ảnh hưởng đến khả năng định vị.
b. Tiêu chuẩn "DIN 472" có ý nghĩa gì?
Tiêu chuẩn "DIN 472" quy định các thông số kỹ thuật của phe gài lỗ, bao gồm kích thước, dung sai và đặc tính vật liệu. Điều này đảm bảo phe gài được sản xuất chính xác và có thể lắp lẫn với các chi tiết cơ khí tiêu chuẩn.
c. Phe gài Inox 420 có phải là phe chống ăn mòn tuyệt đối không?
Không. Inox 420 là loại thép không gỉ có khả năng chống ăn mòn vừa phải, tốt hơn thép carbon nhưng kém hơn các loại Inox như 304 hay 316, đặc biệt trong môi trường ẩm ướt hoặc có hóa chất mạnh.
d. Mua phe gài Inox 420 chính hãng, uy tín ở đâu tại TP.HCM?
Bạn nên mua từ nhà phân phối uy tín (như Mecsu), kiểm tra bao bì, và sản phẩm phải có độ hoàn thiện cao. Điều quan trọng là chọn nhà cung cấp có đầy đủ chứng nhận chất lượng (CQ) để đảm bảo nguồn gốc.
e. Khi nào cần thay thế phe gài lỗ?
Bạn nên thay thế phe gài khi nhận thấy các dấu hiệu sau:
- Phe bị biến dạng, không còn giữ được hình dạng tròn ban đầu.
- Có dấu hiệu rỉ sét, ăn mòn nghiêm trọng.
- Phe bị gãy hoặc nứt.
- Khi tháo lắp nhiều lần, phe có thể mất độ đàn hồi và không còn bám chắc vào rãnh.
Kinh nghiệm từ các kỹ sư Mecsu: Việc kiểm tra định kỳ bằng mắt thường có thể giúp phát hiện sớm các dấu hiệu cần thay thế, tránh gây hư hại nghiêm trọng hơn cho toàn bộ hệ thống. Đừng ngần ngại liên hệ chúng tôi để được hỗ trợ kỹ thuật về bảo trì hoặc thay thế phụ tùng kịp thời.
f. Mua phe gài Inox 420 chính hãng, uy tín ở đâu tại TP.HCM?
Mua Phe Gài Lỗ Inox 420 chính hãng và đảm bảo chất lượng tại TP.HCM, bạn hãy liên hệ ngay với Mecsu. Chúng tôi tự hào là nhà cung cấp uy tín, chuyên phân phối các sản phẩm chính hãng tại Việt Nam.
- Cam kết chất lượng: 100% sản phẩm có nguồn gốc rõ ràng, đầy đủ chứng từ CQ. Chúng tôi cam kết hoàn tiền 100% hoặc đổi trả nếu sản phẩm không phải chính hãng.
- Giá cả cạnh tranh: Đảm bảo mức giá tốt nhất đi kèm chất lượng, với chính sách chiết khấu hấp dẫn cho đơn hàng số lượng lớn.
- Tư vấn chuyên sâu: Đội ngũ kỹ sư giàu kinh nghiệm sẵn sàng hỗ trợ bạn về kỹ thuật và lựa chọn sản phẩm phù hợp nhất.
- Chính sách hậu mãi: Đảm bảo quyền lợi tối đa cho khách hàng với dịch vụ hỗ trợ nhanh chóng, tận tâm.
12. Liên Hệ và Hỗ Trợ Tư Vấn Mua Phe Gài
Nếu bạn có bất kỳ thắc mắc nào về Phe Gài Lỗ Inox 420 hoặc cần tư vấn về giải pháp phụ tùng cho ứng dụng cụ thể của mình, đừng ngần ngại liên hệ với đội ngũ chuyên gia của Mecsu. Chúng tôi luôn sẵn lòng hỗ trợ bạn tìm ra sản phẩm phù hợp và tối ưu nhất, đồng thời cung cấp những kiến thức độc quyền về kỹ thuật bảo trì mà bạn khó tìm thấy ở nơi khác.
Địa chỉ: B28/I - B29/I Đường số 2B, KCN Vĩnh Lộc, P. Bình Hưng Hòa B, Q. Bình Tân, TP.HCM
Hotline: 1800 8137
Email: sales@mecsu.vn
Website: mecsu.vn
13. Thông Tin Bổ Sung & Kinh Nghiệm Thực Tế Từ Mecsu
a. Kinh Nghiệm Thực Tế & Câu Chuyện Thành Công
Tại Mecsu, chúng tôi tự hào là đối tác tin cậy của nhiều doanh nghiệp trong việc cung cấp các giải pháp phụ tùng chất lượng cao. Phe Gài Lỗ Inox 420, với đặc tính chịu tải tốt và độ bền cao, đã được ứng dụng trong nhiều dự án quan trọng của khách hàng chúng tôi tại TP. Hồ Chí Minh và các tỉnh lân cận, mang lại hiệu quả vượt trội và là minh chứng cho chất lượng sản phẩm cùng kinh nghiệm thực tế của đội ngũ Mecsu:
- Ngành chế tạo máy: Chúng tôi đã cung cấp Phe Gài Lỗ Inox 420 cho một nhà sản xuất máy móc lớn. Nhờ độ cứng cao và khả năng định vị chắc chắn, phe gài này đã góp phần đáng kể vào việc nâng cao hiệu suất và độ tin cậy của thiết bị, đồng thời giảm thiểu chi phí bảo trì cho khách hàng.
- Lĩnh vực sản xuất ô tô, xe máy: Phe Gài Lỗ Inox 420 được lựa chọn cho các ứng dụng trong hệ thống truyền động cần chịu tải trọng đáng kể. Độ bền vượt trội đã giúp các chi tiết hoạt động ổn định trong thời gian dài, ngay cả trong điều kiện làm việc liên tục và tải nặng.
- Thiết bị công nghiệp: Một khách hàng chuyên sản xuất thiết bị công nghiệp đã ứng dụng phe gài Inox 420 vào các bộ phận trục quay chính. Khả năng định vị chắc chắn và độ bền của phe đã giúp máy móc hoạt động ổn định và kéo dài tuổi thọ trong môi trường làm việc thông thường.
b. Trích Dẫn Chuyên Gia
“Phe Gài Lỗ Inox 420 là một lựa chọn tuyệt vời cho các ứng dụng công nghiệp cần sự cân bằng hoàn hảo giữa khả năng chịu tải, độ bền và mức độ chống ăn mòn vừa phải. Vật liệu Inox 420 mang lại lợi thế về độ cứng và khả năng chống mài mòn, rất phù hợp cho những hệ thống mà các chi tiết cần được định vị chắc chắn và chịu lực tốt. Đây là giải pháp đáng tin cậy và hiệu quả cho nhiều loại máy móc trong môi trường công nghiệp.”
— Kỹ sư cơ khí Chuyên gia kỹ thuật Mecsu (TP. Hồ Chí Minh) - Với hơn 10 năm kinh nghiệm trong lĩnh vực linh kiện cơ khí.
c. Tài Liệu Tham Khảo và Nghiên Cứu
Nội dung bài viết này được biên soạn dựa trên các tài liệu kỹ thuật chính thức và đáng tin cậy từ nhà sản xuất, cùng với kinh nghiệm thực tế chuyên sâu của đội ngũ kỹ sư Mecsu, đảm bảo tính chính xác, cập nhật và chuyên môn cao:
- Catalogue sản phẩm MS-PRO (Danh mục sản phẩm MS-PRO chính thức) – Nguồn dữ liệu kỹ thuật chi tiết nhất về phe gài.
- Tài liệu kỹ thuật DIN 472 – Cung cấp cái nhìn toàn diện về tiêu chuẩn sản phẩm.
- Bảng dữ liệu kỹ thuật (Datasheet) chi tiết của Phe Gài Lỗ Inox 420 – Nguồn thông số kỹ thuật chính xác.
- Trải nghiệm thực tế và phản hồi từ các dự án khách hàng của Mecsu – Dữ liệu độc nhất được thu thập từ hơn 10 năm cung cấp linh kiện cơ khí và giải pháp cho các doanh nghiệp tại Việt Nam.
Biên soạn bởi: Đội ngũ Kỹ sư Mecsu
Với hơn 10 năm kinh nghiệm chuyên sâu trong lĩnh vực phân phối và tư vấn giải pháp, đội ngũ kỹ sư của Mecsu cam kết mang đến những thông tin chính xác, cập nhật và hữu ích nhất, giúp quý khách hàng đưa ra lựa chọn sản phẩm tối ưu cho mọi ứng dụng.
(Xem thêm thông tin về chúng tôi tại Website Mecsu)
Lưu ý: Hình ảnh sản phẩm có thể khác biệt so với thực tế tùy theo lô sản xuất. Vui lòng tham khảo thông số kỹ thuật chi tiết hoặc liên hệ Mecsu để có thông tin chính xác nhất về sản phẩm.