Tán Dài (3)
Lông Đền Cầu (5)
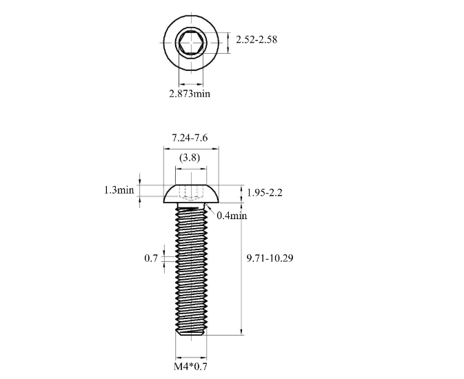
Lục Giác Chìm Mo Thép Mạ Kẽm Trắng Cr3+ 10.9 ISO7380 M4x10 (50Cái/Bịch) (Socket Button Head Screws) là một sản phẩm cơ khí được sử dụng để lắp ráp, ghép nối các chi tiết lại thành một khối, là chi tiết kẹp chặt. Được chế tạo theo tiêu chuẩn ISO 7380 từ Thép 10.9. Bên cạnh những tính năng của loại bulong lục giác chìm thì với đặc tính đầu được bo tròn nên bulong lục giác chìm đầu mo được dùng trong các mối ghép có tính thẩm mỹ cao hơn so với lục giác chìm đầu trụ. Bề mặt mạ kẽm điện phân Cr3+ để tăng cường khả năng chống gỉ sét. Chúng thường được sử dụng trong các ứng dụng ô tô, điện tử, máy móc và sản xuất do tính linh hoạt và độ bền của chúng.
