Tán Dài (3)
Lông Đền Cầu (5)
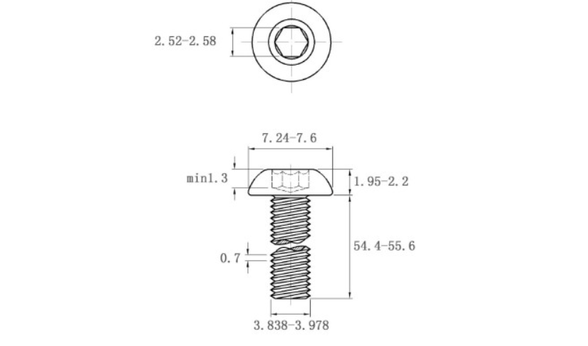
Lục Giác Chìm Mo Inox 304 ISO7380 M4x55 (Socket Button Head Screws) là một sản phẩm cơ khí được sử dụng để lắp ráp, ghép nối các chi tiết lại thành một khối, là chi tiết kẹp chặt. Được chế tạo tiêu chuẩn ISO 7380 bằng vật liệu Inox 304, Khả năng chống ăn mòn và chất lượng cao hơn inox 201. Đặc tính đầu được bo tròn nên bulong lục giác chìm đầu mo được dùng trong các mối ghép có tính thẩm mỹ cao.
